EasyManua.ls Logo

BendPak PL-6000DC - Page 74

BendPak PL-6000DC
96 pages
Print Icon
To Next Page IconTo Next Page
To Next Page IconTo Next Page
To Previous Page IconTo Previous Page
To Previous Page IconTo Previous Page
Loading...
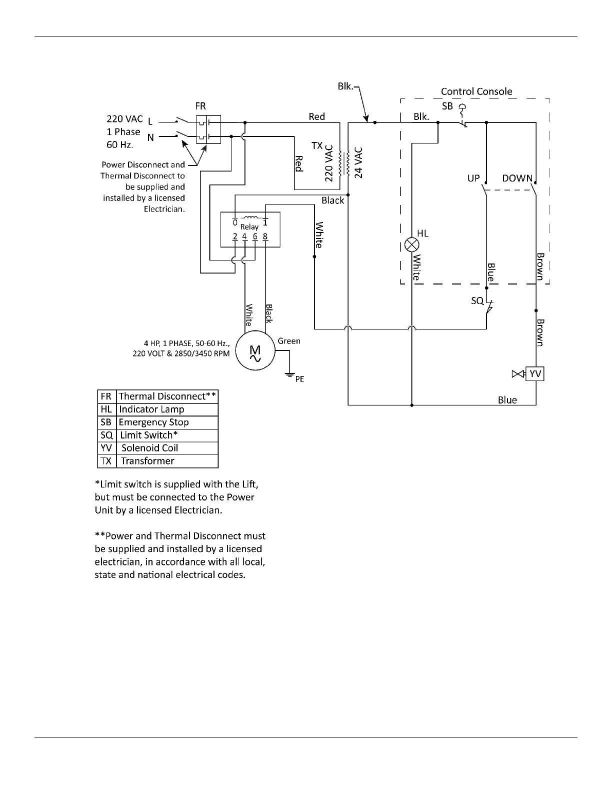
PL-6000DC/DCX Two-Post Parking Lift 74 P/N 5900273Rev. A6 —July 2024
Schematic 220 VAC, 60 Hz., 1 Phase, Power Unit 5585152:

Related product manuals