EasyManua.ls Logo

BendPak PL-6000DC - Page 75

BendPak PL-6000DC
96 pages
Print Icon
To Next Page IconTo Next Page
To Next Page IconTo Next Page
To Previous Page IconTo Previous Page
To Previous Page IconTo Previous Page
Loading...
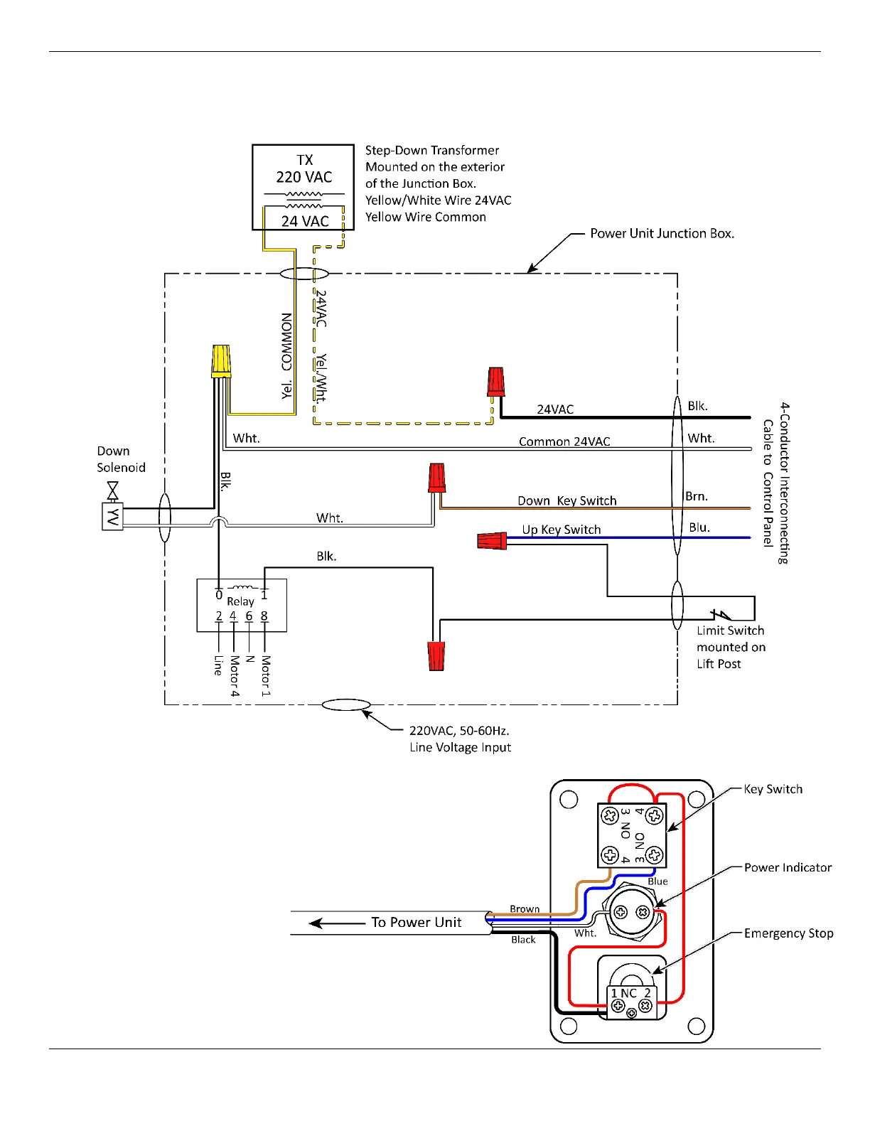
PL-6000DC/DCX Two-Post Parking Lift 75 P/N 5900273Rev. A6 —July 2024
Junction Box Controls Wiring Diagram Power Unit 5585420
Control Panel Wiring Diagram
Drawing not to scale. Control Panel wire side view.

Related product manuals