EasyManua.ls Logo

BendPak PL-6000DC - Page 77

BendPak PL-6000DC
96 pages
Print Icon
To Next Page IconTo Next Page
To Next Page IconTo Next Page
To Previous Page IconTo Previous Page
To Previous Page IconTo Previous Page
Loading...
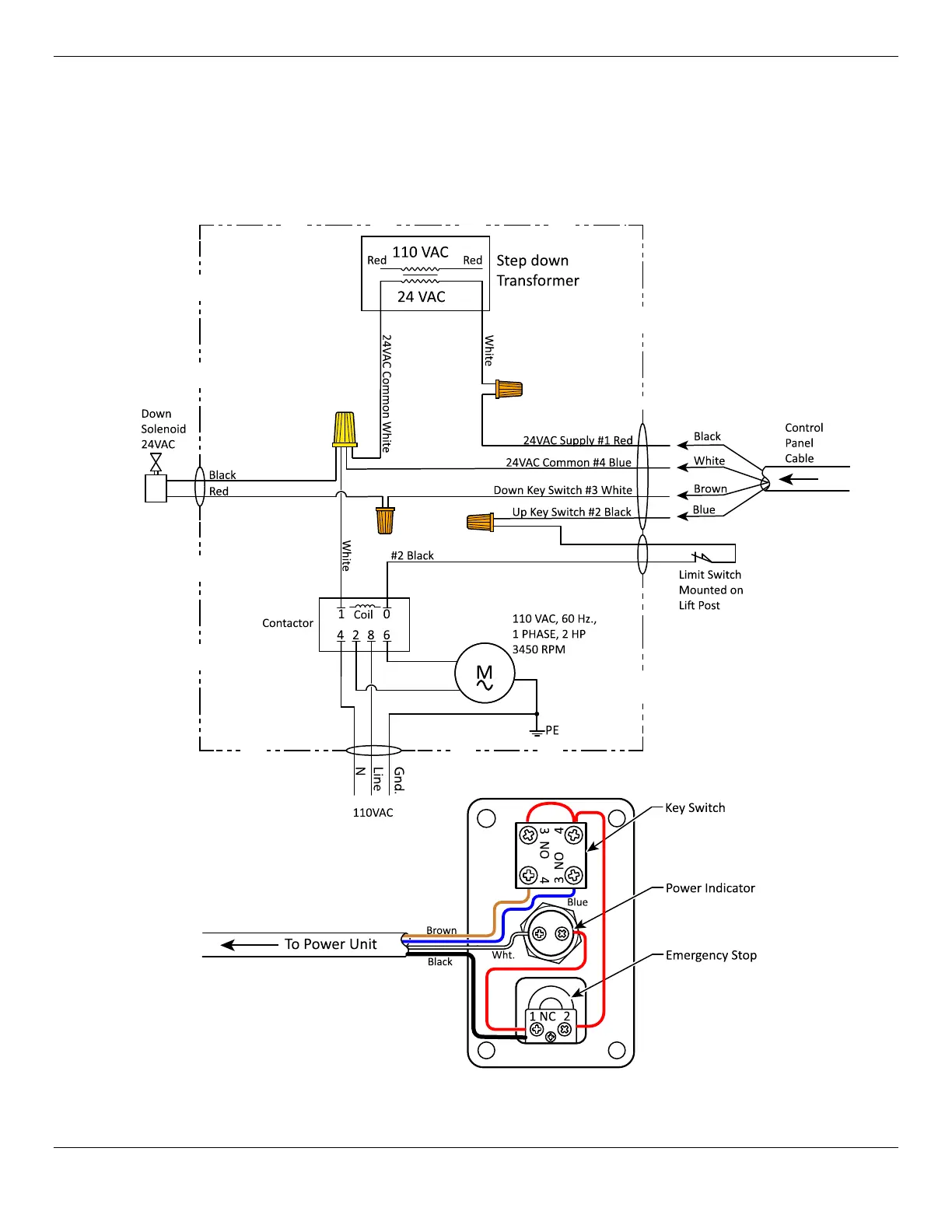
PL-6000DC/DCX Two-Post Parking Lift 77 P/N 5900273Rev. A6 —July 2024
Junction Box Controls Wiring Diagram Power Unit 5585023
WARNING All electrical work (including the installation of thermal and electrical disconnects)
must be performed by a licensed, Electrician in accordance with all applicable local
and national electrical codes. Damage caused by improper electrical
installation may void your warranty.
Control Panel Wiring Diagram
Drawing not to scale. Control Panel wire side view.
Power Unit 5585023

Related product manuals