EasyManua.ls Logo

BendPak PL-6000DC - Page 91

BendPak PL-6000DC
96 pages
Print Icon
To Next Page IconTo Next Page
To Next Page IconTo Next Page
To Previous Page IconTo Previous Page
To Previous Page IconTo Previous Page
Loading...
PL-6000DC/DCX Two-Post Parking Lift 91 P/N 5900273Rev. A6 —July 2024
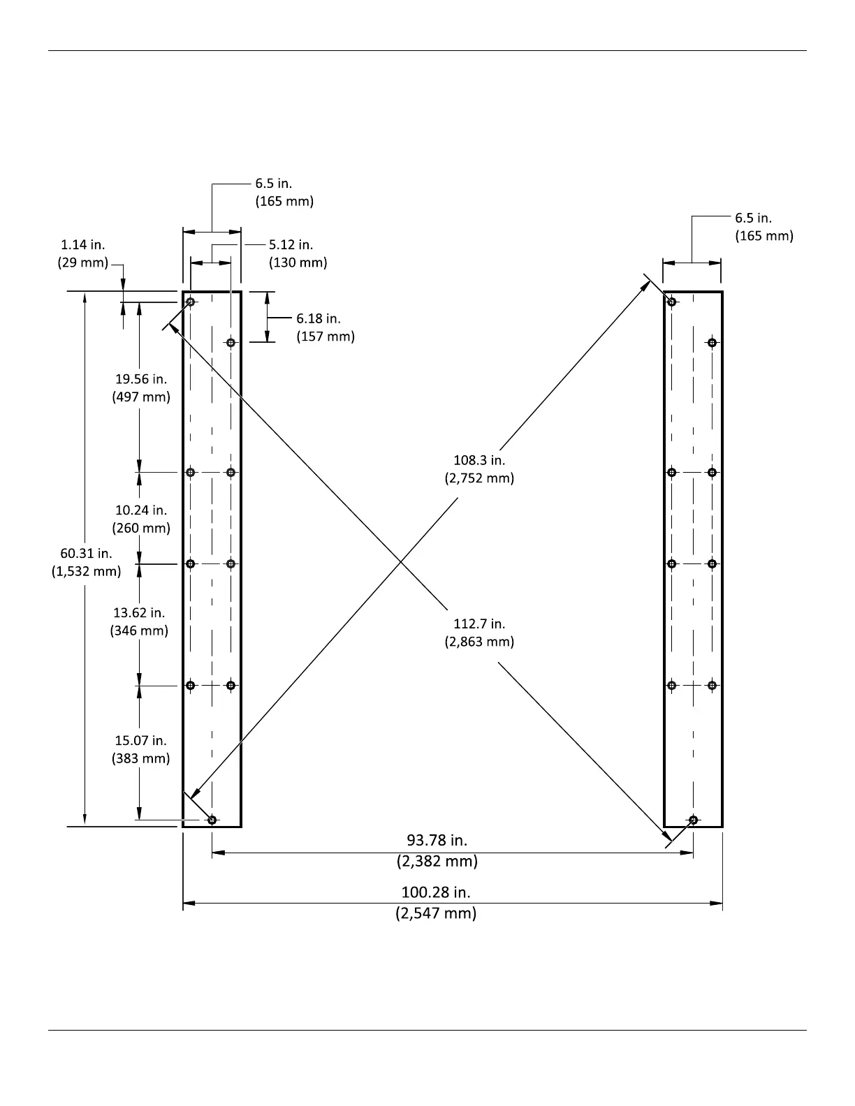
Base Plate Hole Pattern PL-6000DC
This Hole Pattern is provided for reference only. BendPak strongly advises you to use the Post Bases
as templates when drilling the Anchor Holes.

Related product manuals