EasyManua.ls Logo

BFT CDS 1.3 - Page 3

BFT CDS 1.3
Print Icon
To Next Page IconTo Next Page
To Next Page IconTo Next Page
To Previous Page IconTo Previous Page
To Previous Page IconTo Previous Page
Loading...
P P P P
+
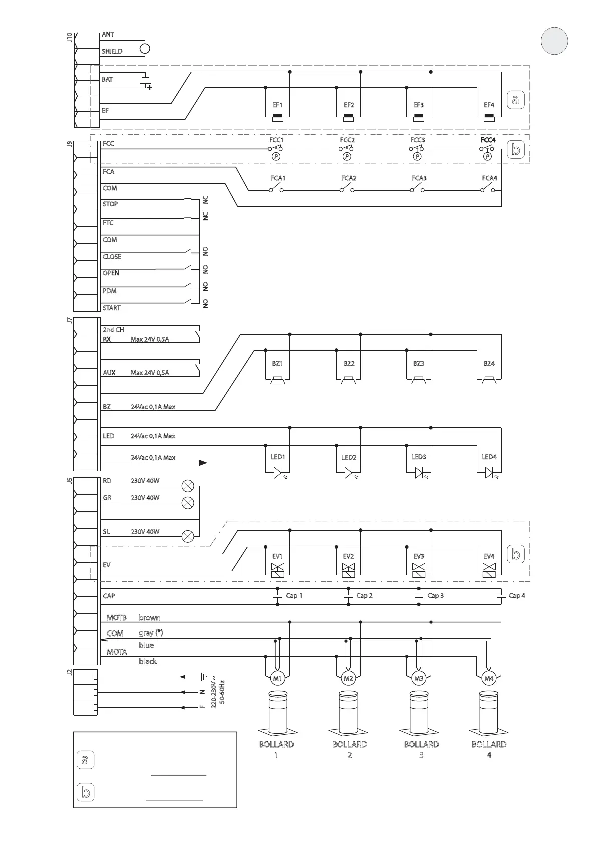
J10
EF1 EF2 EF3 EF4
FCC
FCA
ANT
BAT
EF
SHIELD
COM
STOP
FTC
COM
CLOSE
OPEN
PDM
START
2nd CH
RX Max 24V 0,5A
AUX Max 24V 0,5A
RD
GR
SL
EV
CAP
MOTB
COM
MOTA
brown
gray (*)
blue
black
24Vac 0,1A Max
LED
BZ
24Vac 0,1A Max
230V 40W
230V 40W
230V 40W
FCC1 FCC2 FCC3 FCC4
FCA1
FCA2 FCA3
FCA4
J9J7J5J2
220-230V ~
50-60Hz
NCNCNONONONO
BZ1
EV1
Cap 1 Cap 2 Cap 3 Cap 4
EV2 EV3 EV4
BZ2 BZ3 BZ4
24Vac 0,1A Max
LED1
LED2
LED3 LED4
M1
BOLLARD
1
BOLLARD
2
BOLLARD
3
BOLLARD
4
M2 M3 M4
F N
NOTE / NOTES / NOTES / NOT EN / NOTAS:
Non disponibile per/Not available for/
Non disponible pour/ Nicht verfügbar für/
No disponible para GRIZZLY / OAK 800.4
Solo per/Only for/Uniquement pour/
Nur für/Sólo para GRIZZLY / OAK 800.4
a
b
b
a
b
A
(*) Se presente • If present

Table of Contents

Related product manuals