EasyManua.ls Logo

Bosch DCNM-SERVER - Camera Setup

Bosch DCNM-SERVER
80 pages
Print Icon
To Next Page IconTo Next Page
To Next Page IconTo Next Page
To Previous Page IconTo Previous Page
To Previous Page IconTo Previous Page
Loading...
DICENTIS System installation overview | en 11
Bosch Security Systems B.V.
Hardware Installation Manual
2021.01 | V2.2 |
8. System Network Cable (DCNM‑CBxxx):
Connects DICENTIS devices, the Audio processor and powering switch, and one or
more Powering switches to each other.
9. Multimedia device (DCNM-MMD / DCNM-MMD2)
This device is used for “system power on/off”. It is always connected to the powered
socket of the Audio processor and powering switch or Powering switch.
Note: Only one DICENTIS Multimedia device should be connected here.
10. Multimedia device (DCNM-MMD / DCNM-MMD2)
This device is used via a “Power over Ethernet” (PoE) Ethernet switch.
Note: Only one DICENTIS device should be connected here.
Participants can use their DICENTIS Discussion device to contribute to a meeting: DCNM-D,
DCNM-DVT, DCNM-DSL, DCNM-DE.
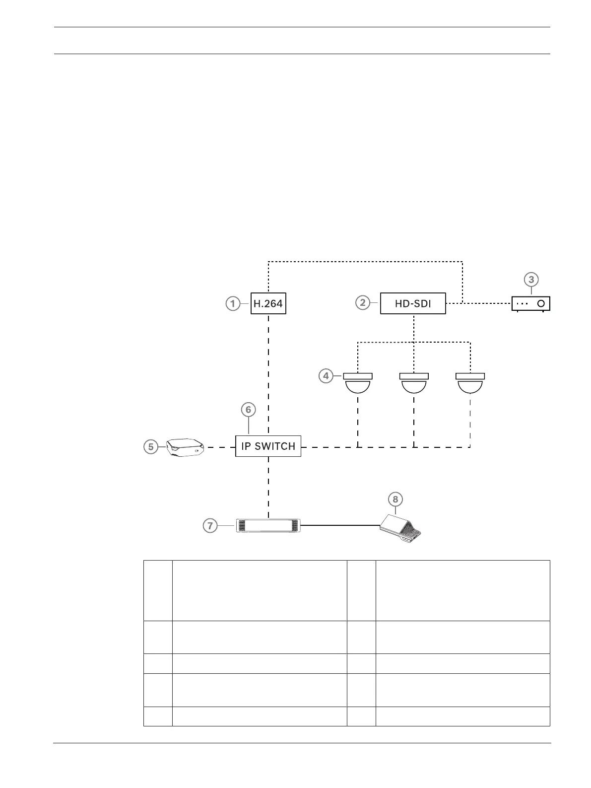
A typical camera setup in a DICENTIS Conference System consists of:
Figure3.2: Typical camera setup
1 H.264 encoder to encode the HD SDI
video to H.264 if the video camera is
not able to supply the supported
H.264 stream
2 HD-SDI switcher to switch the HD-SDI
streams of the cameras
3 Projector to show the active speaker
on the large screen
4 Video camera (Onvif Profile-S
compatible camera, Sony, Panasonic)
5 DCNM-SERVER 6 L3 Ethernet switch
7 DCNM-APS2 8 DCNM-MMD2, displaying the active
speaker on the device
….. HD-SDI (coax cable) ----- Ethernet TCP/IP

Related product manuals