EasyManua.ls Logo

Brother mfc8440 - 1.3.12 Video I;O; 1.3.13 Scanner Control

Brother mfc8440
367 pages
Print Icon
To Next Page IconTo Next Page
To Next Page IconTo Next Page
To Previous Page IconTo Previous Page
To Previous Page IconTo Previous Page
Loading...
CHAPTER 3 THEORY OF OPERATION
3-8
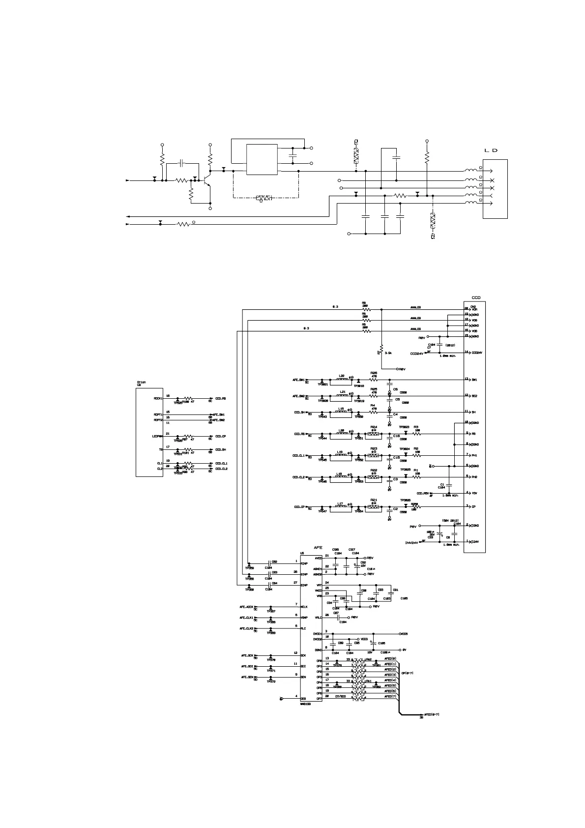
1.3.12 Video I/O
The video signal output from the ASIC is reversed through a transistor and output after being
corrected by the buffer IC.
1D
BDN
2D
VDON0
2D
ENBN0
VDD5
L7
0
VDD5
L6
0
R21
680
C22
C102
VDD5
R7
220k
R13
100
C27
C471
Q3
C3735
C
B
E
R8
1k
VDD3
R19
680
0V
0V
L5
0
0V
L3
0
L4
0
VDD3
R16
680
R15
330
1/10W
0V
0V
C21
C103
C18
C103
C23
C101
C20
C270
1
BD
CN1
5
DATA1
2
ENB1
3
+5V
4
GND
R10
0
R12
0
TP230
TP231
TP232
TP233
TP234 TP235
U2
TC7SH08FU
1
B
4
Y
5
VCC
2
A
3
GND
VDD3
R151
330
1/10W
Fig. 3-14
1.3.13 Scanner control
Fig. 3-15

Table of Contents