EasyManua.ls Logo

Brother mfc8440 - NCU PCB Circuit Diagram (Oceania)

Brother mfc8440
367 pages
Print Icon
To Next Page IconTo Next Page
To Next Page IconTo Next Page
To Previous Page IconTo Previous Page
To Previous Page IconTo Previous Page
Loading...
MFC-8440/8840D/8840DN, DCP-8040/8045D/8045DN
SERVICE MANUAL
A-63
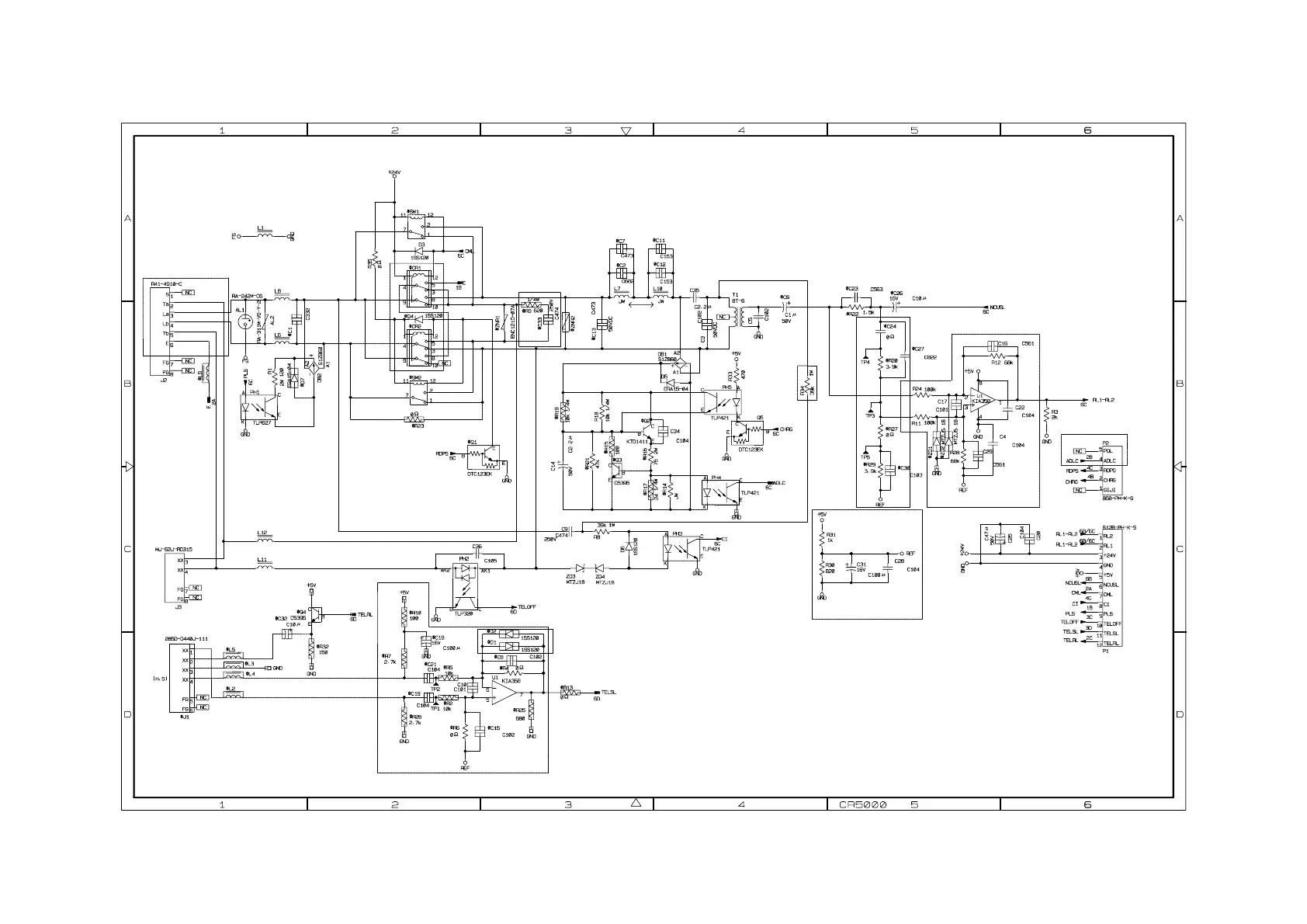
Appendix 4.14 NCU PCB Circuit Diagram (Oceania)

Table of Contents

Related product manuals