EasyManua.ls Logo

Cadel nice - 14 Données Techniques; Schema Électrique; Information Pour Les Reparations

Cadel nice
Print Icon
To Next Page IconTo Next Page
To Next Page IconTo Next Page
To Previous Page IconTo Previous Page
To Previous Page IconTo Previous Page
Loading...
129
NICE - MIRIAM - CRISTAL - LEONORA - PRETTY - DIANA - KRISS - MARY
FR
14
DONNÉES TECHNIQUES
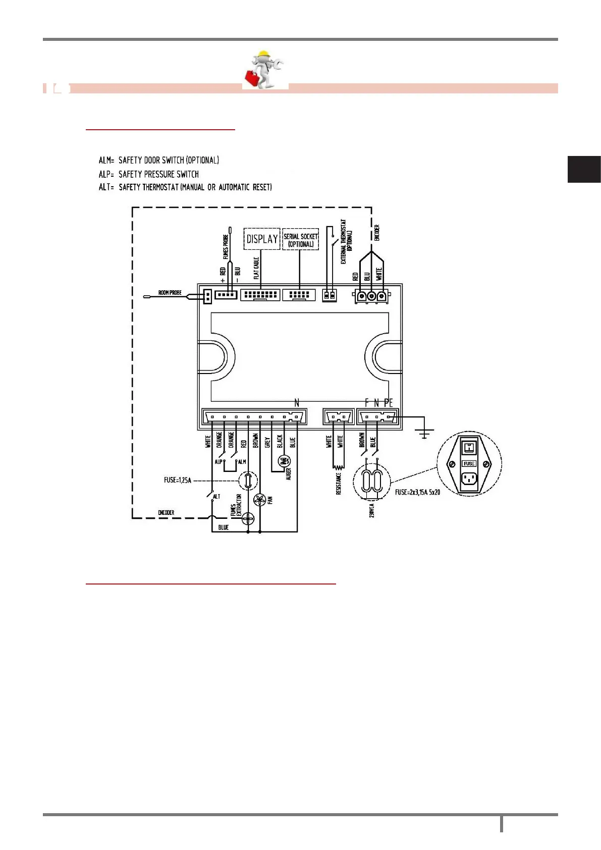
14.1 SCHEMA ÉLECTRIQUE
Fig. 42 - Schema électrique
14.2 INFORMATION POUR LES REPARATIONS
Voici quelques indications pour permettre au technicien agrée d’accéder aux parties mécaniques du
poêle.
Pour remplacer les fusibles de la prise électrique qui se trouve derrière le poêle, faire levier avec un
tournevis dans le trappe (voir Fig. 43 à page 130) et enlever les fusibles à changer.

Table of Contents

Other manuals for Cadel nice

Related product manuals