EasyManua.ls Logo

Cadel nice - 14 Dados Técnicos; Esquema Elétrico; Informações para a as Reparações

Cadel nice
Print Icon
To Next Page IconTo Next Page
To Next Page IconTo Next Page
To Previous Page IconTo Previous Page
To Previous Page IconTo Previous Page
Loading...
267
NICE - MIRIAM - CRISTAL - LEONORA - PRETTY - DIANA - KRISS - MARY
PT
14
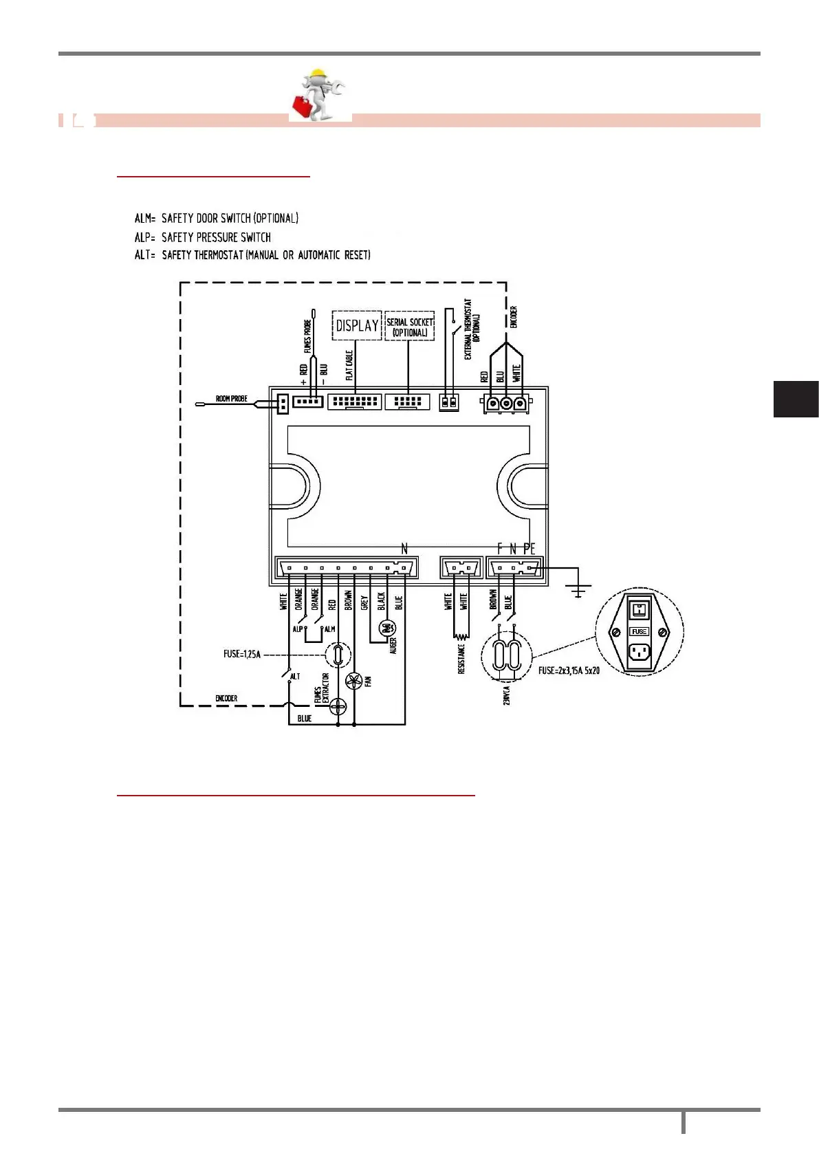
DADOS TÉCNICOS
14.1 ESQUEMA ELÉTRICO
Fig. 42 - Esquema elétrico
14.2 INFORMAÇÕES PARA A AS REPARAÇÕES
Estão apresentadas a seguir algumas indicações que o Técnico Autorizado deve seguir para aceder às
partes mecânicas da estufa.
Para a substituição dos fusíveis na tomada elétrica que se encontra atrás da estufa, usar uma chave
de fenda como alavanca na porta (ver Fig. 43 pág. 268) e extrair os fusíveis a mudar.

Table of Contents

Other manuals for Cadel nice

Related product manuals