EasyManua.ls Logo

Cadel nice - 14 Datos Técnicos; Esquema Eléctrico; Información para las Reparaciones

Cadel nice
Print Icon
To Next Page IconTo Next Page
To Next Page IconTo Next Page
To Previous Page IconTo Previous Page
To Previous Page IconTo Previous Page
Loading...
175
NICE - MIRIAM - CRISTAL - LEONORA - PRETTY - DIANA - KRISS - MARY
ES
14
DATOS TÉCNICOS
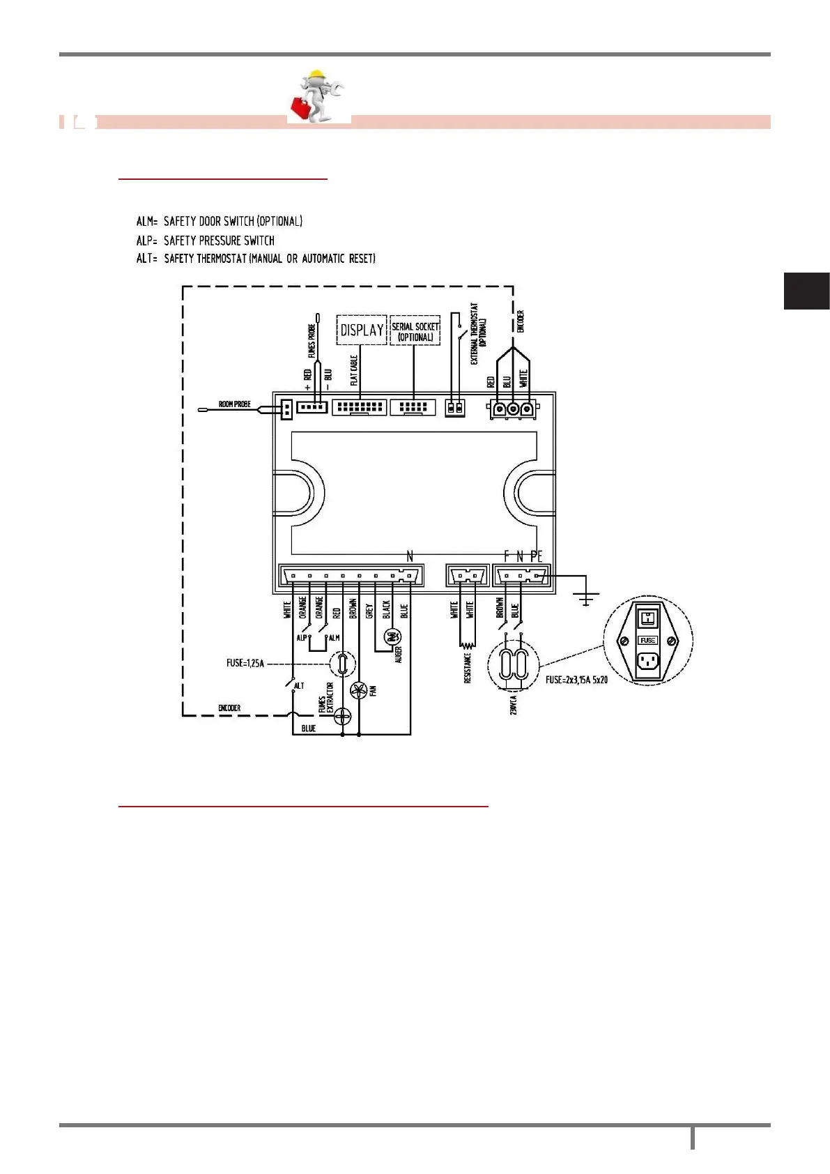
14.1 ESQUEMA ELÉCTRICO
Fig. 42 - Esquema eléctrico
14.2 INFORMACIÓN PARA LAS REPARACIONES
Damos algunas indicaciones para el Técnico Especializado que hay que considerar por el acceso a las
partes mecánicas de la estufa.
Para la sustitución de los fusibles en la toma de corriente que se encuentra en la parte posterior de
la estufa, abrir la ventanilla con la ayuda de un destornillador (véase Fig. 43 a pág. 176) y extraer los
fusibles que tienen que ser cambiados.

Table of Contents

Other manuals for Cadel nice

Related product manuals