EasyManua.ls Logo

Cadel nice - 14 Technical Datas; Wiring Scheme; Repair Information

Cadel nice
Print Icon
To Next Page IconTo Next Page
To Next Page IconTo Next Page
To Previous Page IconTo Previous Page
To Previous Page IconTo Previous Page
Loading...
84
NICE - MIRIAM - CRISTAL - LEONORA - PRETTY - DIANA - KRISS - MARY
EN
PROBLEM CAUSE SOLUTION INTERVENTION
Stove running
and display
showing “WORK,
MODULATI”
Reached
ambient
temperature
The stove runs at minimum. NO PROBLEM!
Reached fume
outlet limit
temperature
The stove runs at minimum. NO PROBLEM!
14
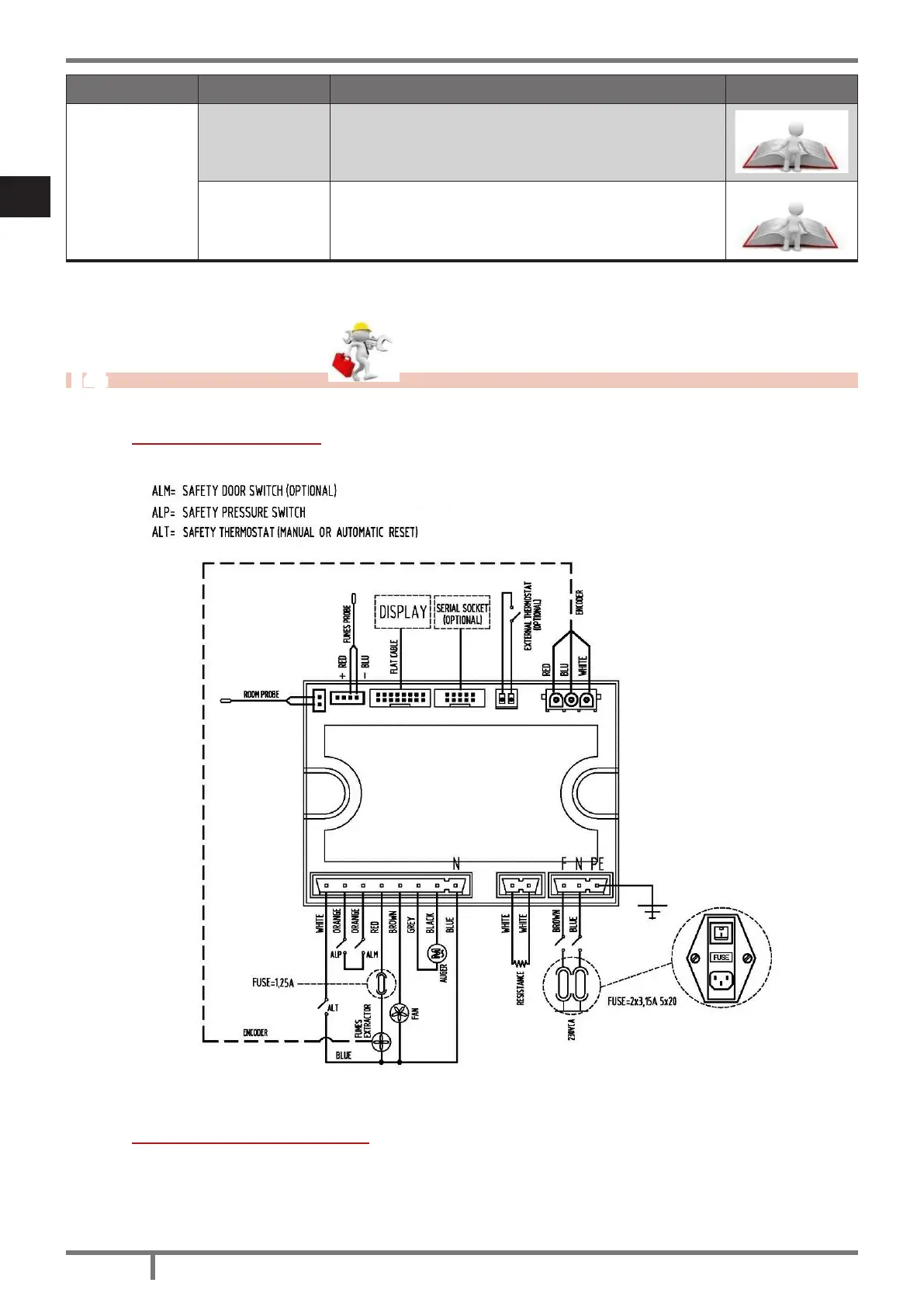
TECHNICAL DATAS
14.1 WIRING SCHEME
Fig. 42 - Wiring scheme
14.2 REPAIR INFORMATION
Now we give some instructions for the Authorized Technician to take into consideration to have access to
stove mechanical components.
For fuse replacement in the electric socket which stands on the back of the stove, extract the fuses to
change with the aid of a screwdriver for opening the shutter (see Fig. 43 page 85).

Table of Contents

Other manuals for Cadel nice

Related product manuals