EasyManua.ls Logo

Cadel nice - 14 Τεχνικα Δεδομενα; Wiring Scheme; Πληροφοριεσ Για Επισκευη

Cadel nice
Print Icon
To Next Page IconTo Next Page
To Next Page IconTo Next Page
To Previous Page IconTo Previous Page
To Previous Page IconTo Previous Page
Loading...
313
NICE - MIRIAM - CRISTAL - LEONORA - PRETTY - DIANA - KRISS - MARY
EL
14
ΤΕΧΝΙΚΑ ΔΕΔΟΜΕΝΑ
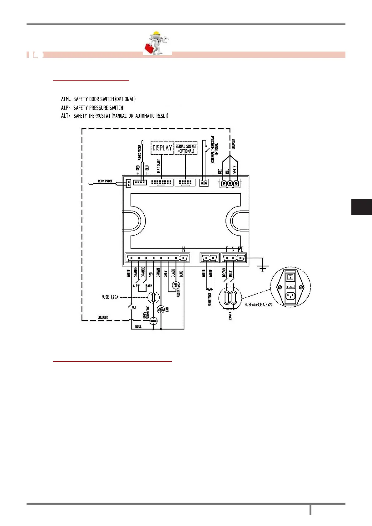
14.1 WIRING SCHEME
Fig. 42 - Wiring scheme
14.2 ΠΛΗΡΟΦΟΡΙΕΣ ΓΙΑ ΕΠΙΣΚΕΥΗ
Παρακάτω θα βρείτε κάποιες οδηγίες για το Εξουσιοδοτημένο Τεχνικό καθώς θα έχει πρόσβαση στα μηχανικά
μέρη της σόμπας .
Για την αντικατάσταση των ασφαλειών στην ηλεκτρική πρίζα που βρίσκεται στο πίσω μέρος της σόμπας,
εξαγάγετε τις ασφάλειες για να αλλάξει με τη βοήθεια ενός κατσαβιδιού για το άνοιγμα του κλείστρου
(βλέπε Fig. 43 σελίδα 314).

Table of Contents

Other manuals for Cadel nice

Related product manuals