EasyManua.ls Logo

Cessna 182 - Vacuum System; Stall Warning System

Cessna 182
160 pages
Print Icon
To Next Page IconTo Next Page
To Next Page IconTo Next Page
To Previous Page IconTo Previous Page
To Previous Page IconTo Previous Page
Loading...
1-46
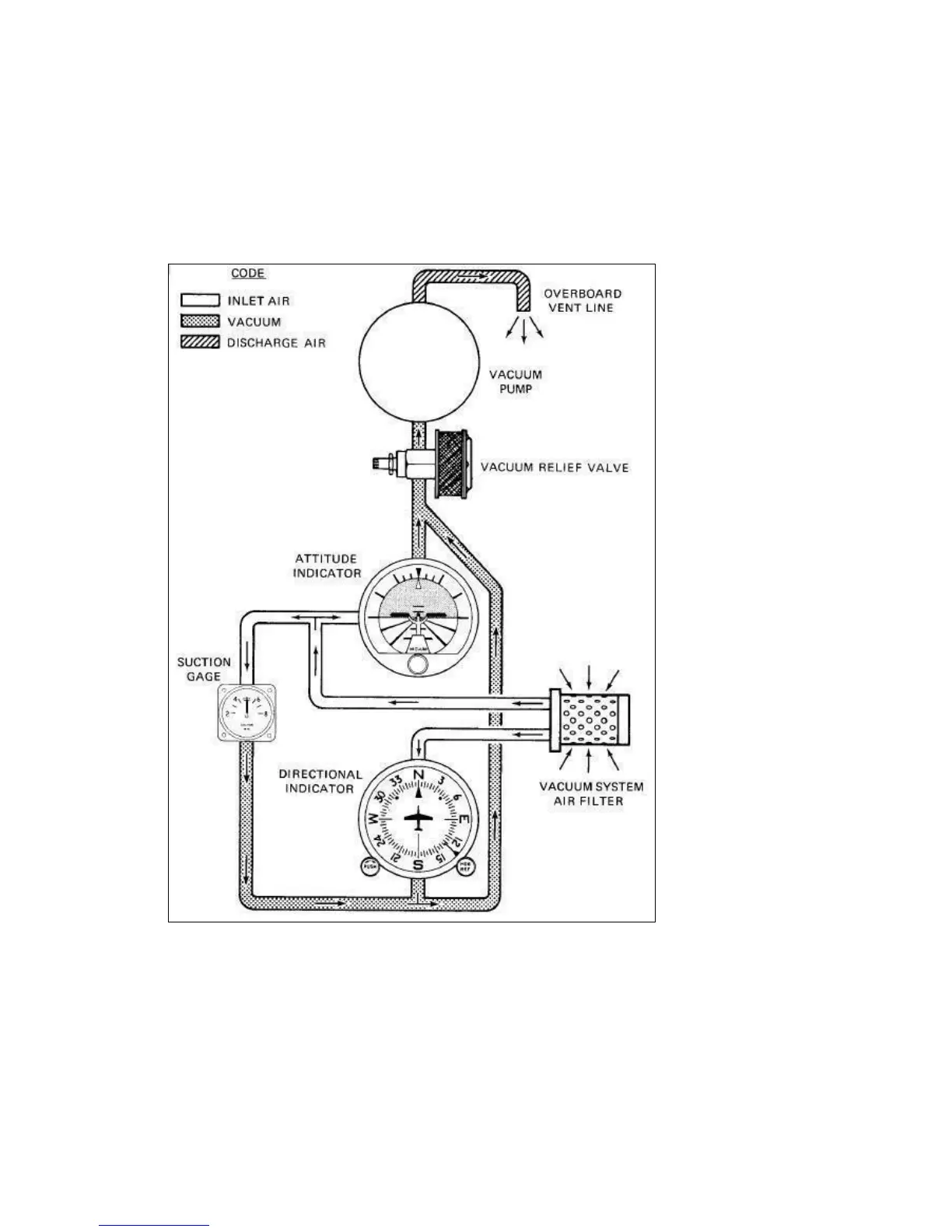
Vacuum System
86. An engine driven vacuum pump provides the suction necessary to operate the attitude
indicator and directional indicator. The system incorporates a vacuum relief valve and air filter.
A suction gauge located to the left of the flight instruments is calibrated in inches of mercury
and indicates the suction currently available. A suction range of 4.5 to 5.5 in-Hg is desired for
reliable operation of the attitude indicator and directional indicator.
Figure 1-55 Vacuum System
Stall Warning System
87. A vane type stall warning unit is located in the left wing leading edge which electrically
activates an audible stall warning horn located under the instrument panel. The horn is not
connected to the intercom system. The horn is activated at speeds approximately 5-10 mph
above the stall in all configurations.

Table of Contents

Other manuals for Cessna 182

Related product manuals