EasyManua.ls Logo

Ciara-tech Discovery - 3.0: Ciara Enterprise;Discovery 945 GTP Specifications; 3.1: Configuration & Layout - Ciara Enterprise;Discovery 945 GTP Main board

Ciara-tech Discovery
81 pages
Print Icon
To Next Page IconTo Next Page
To Next Page IconTo Next Page
To Previous Page IconTo Previous Page
To Previous Page IconTo Previous Page
Loading...
Ciara Enterprise/Discovery 945GTP
- 25 -
3.0: Ciara Enterprise/Discovery 945GTP specifications
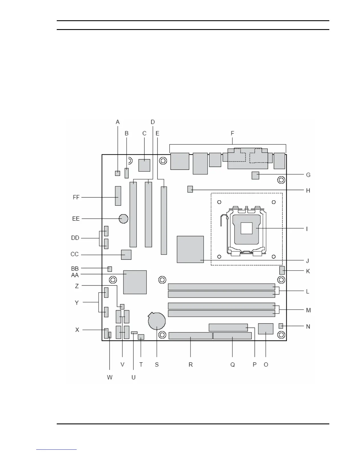
In the following sections the specifications of the Ciara Enterprise/Discovery 945GTP models are detailed, and the
layout and configuration of their motherboard are illustrated.
3.1: Configuration & Layout - Ciara Enterprise/Discovery 945GTP Main
board
The layout of the motherboard that Ciara Technologies Inc. uses in its Ciara Enterprise/Discovery 945GTP systems
is shown in Figure 3.1
Figure 3.1: Layout of Ciara Enterprise/Discovery 945GTP Mainboard

Table of Contents