EasyManua.ls Logo

Cima PLUS - WIRING DIAGRAM

Cima PLUS
92 pages
Print Icon
To Next Page IconTo Next Page
To Next Page IconTo Next Page
To Previous Page IconTo Previous Page
To Previous Page IconTo Previous Page
Loading...
Plus 42 - 45 - 50 - 55
3-2012
74
00001
Marrone
F1
Valve 1
Valve 2
12 V
GRN
Black 1.5
Red 1.5
10A
1
Switch
2
Switch
DL1
1
1
2
2
M M
Bianco
Giallo
Arancio
+
-
Nero 1.5
Red 1.5
Pressure
regulator
1
2
M
Nero
Rosso
F2
10A
P
GRN
HL1
Red
Green
Pressure
transducer
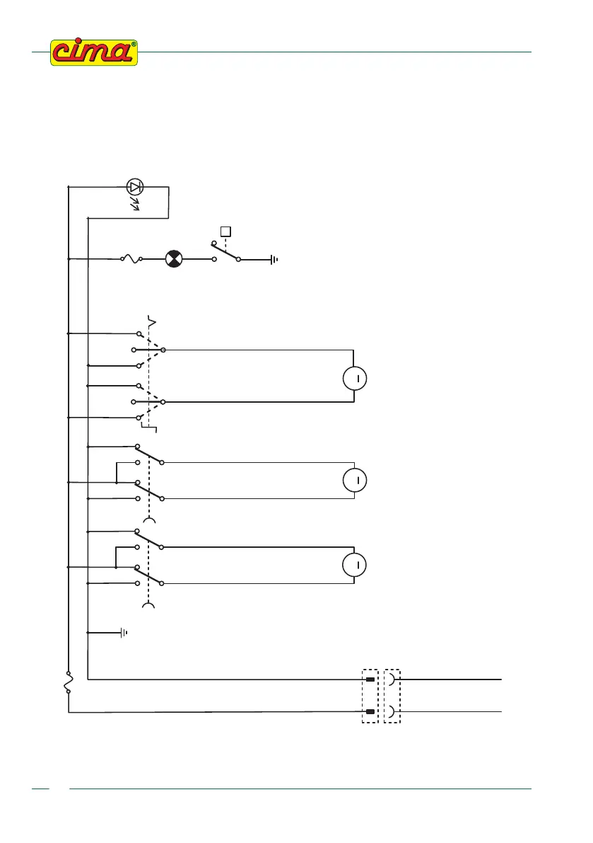
16.2 - WIRING DIAGRAM
(for versions where it is foreseen)

Table of Contents

Other manuals for Cima PLUS