EasyManua.ls Logo

Condair UDC - Connecting the CDA or CDA-S to Condair Units

Condair UDC
148 pages
Print Icon
To Next Page IconTo Next Page
To Next Page IconTo Next Page
To Previous Page IconTo Previous Page
To Previous Page IconTo Previous Page
Loading...
131Condair CDA and CDA-S
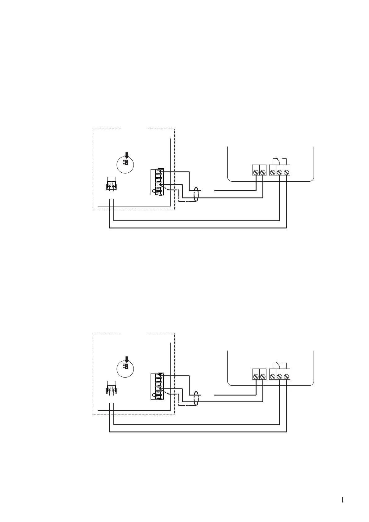
10.7 Connecting the CDA or CDA-S to Condair units
10.7.1 Connecting the CDA to the Condair DL
1. Connect the Condair CDA to the corresponding terminals on the driver board of the Condair DL ac-
cording to the wiring diagram below.
Note: The voltage supply of the Condair CDA is established via the terminals "24/10V" and "GND"
of the terminal block "X16" or via an external 24 V AC/DC voltage supply.
2. On the driver board of the Condair DL: set a Jumper on JP4-24V and remove the Jumper on JP5-
10V (if a jumper is set).
12 11 141 2
L1 N
NC C NO
X1
X16
JP5: 10V
JP4: 24V
24/10 V
TMP
GND
HUM
24V E
Enable
SC2
SC1
Condair DL
CDA
24 VDC
Driver board Condair DL
10.7.2 Connecting the CDA to the Condair ME
1. Connect the Condair CDA to the corresponding terminals on the driver board of the Condair ME
according to the wiring diagram below.
Note: The voltage supply of the Condair CDA is established via the terminals "24/10V" and "GND"
of the terminal block "X16" or via an external 24 V AC/DC voltage supply.
2. On the driver board of the Condair ME: set a Jumper on JP4-24V and remove the Jumper on JP5-
10V (if a jumper is set).
12 11 141 2
L1 N
NC C NO
X1
X16
JP5: 10V
JP4: 24V
24/10 V
TMP
GND
HUM
24V E
Enable
SC2
SC1
Condair ME
CDA
24 VDC
Driver board Condair ME

Table of Contents

Related product manuals