EasyManua.ls Logo

Daher TBM 960 - Page 782

Daher TBM 960
957 pages
Print Icon
To Next Page IconTo Next Page
To Next Page IconTo Next Page
To Previous Page IconTo Previous Page
To Previous Page IconTo Previous Page
Loading...
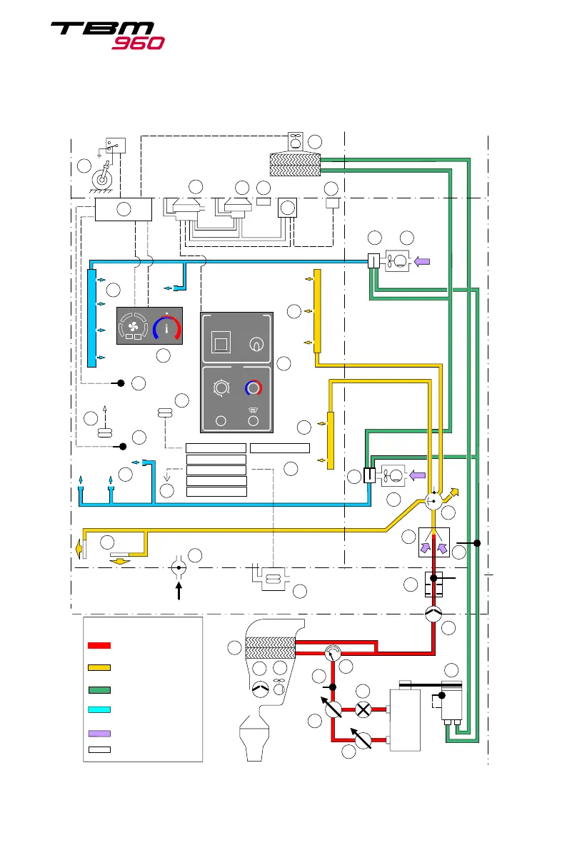
Figure 7.10.1 - ECS Architecture
M
22
18
17
15
11
14
1
3
4
6
9
10
11
Cabin zone
Cockpit zone
5
7
8
GND
P3
P2.5
Powerplant
2
19
24
29
30
26
28
11
12
13
33
35
32
36
34
31
38
37
16
23
25
21
20
C4210000AABAMA8000
27
M
M
PRESSU BACKUP
CABIN ALTITUDE
Avionics
system
PRESSU OFF
ECS DEGRADED
USE OXYGEN MASK
CABIN DIFF PRESS
1
M
BLEED
DUMP
PRESSU R I ZATION
ECS
T E MP
FAN
CABIN C T R L
Floor
Air
Air
Air
Rear
bulkhead
FWD
Firewall
bulkhead
Conditioned
Conditioned
air generation
distribution
distribution
Refrigerant fluid
Fresh air
Ambient air
Pneumatic
Key
Flapper
NACA
inlet port
Section 7
Description
Pilot's Information Manual
PIM TBM 960 - Edition 0
Rev. 02
Page 7.10.4
PIM - DO NOT USE FOR FLIGHT OPERATIONS

Table of Contents