EasyManua.ls Logo

Daikin AVV - Cooling - Chilled Water EOC Valve Piping; Typical Water Coil Piping - EOC Valve Piping

Daikin AVV
76 pages
Print Icon
To Next Page IconTo Next Page
To Next Page IconTo Next Page
To Previous Page IconTo Previous Page
To Previous Page IconTo Previous Page
Loading...
www.DaikinApplied.com 31 IM 817-7
Cooling – Chilled Water EOC Valve
Piping
When piping the End of Cycle valve, refer to label to
determine the direction of ow. The valve should be
installed so that there is a 2” (51mm) minimum clearance
to remove the actuator from the valve body. Provide
unions for removal of unit coil and/or control valve as
a future service consideration. Hot water connections
may be same end as cooling coil connections, but are
recommended to be opposite end to facilitate piping.
When using MicroTech® controls, they must be opposite
end. The End of Cycle valve must be eld installed on
the unit for which it was selected.
2-Way End of Cycle, Normally Closed, Chilled Water
Valve Piping (typical)
The 2-way EOC CW valve is furnished normally closed
to the coil. When the valve is de-energized (off) there is
no ow through the coil. Energizing the valve allows ow
through the coil.
Figure 79: Typical 2-Way End of Cycle Valve, Water Piping
Return
Return
Balancing and Shutoff Valve
Shutoff Valve
Supply
Supply
2-way EOC
Valve
Unit Coil
Unions
A
B
Note: For Erie E.O.C. water valves, always have the
direction of water ow piped to the B-port of the valve.
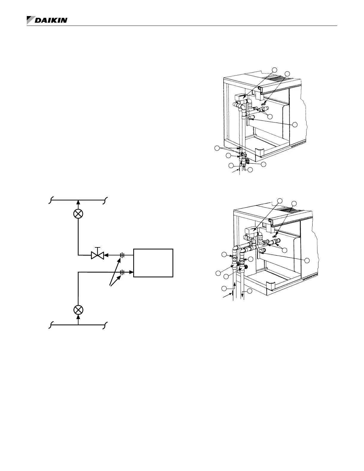
Typical Water Coil Piping - EOC
Valve Piping
Figure 80: Face and Bypass With 3-Way End-of-Cycle
Valve (Piping Within Unit End Compartment)
2
3
4
5
6
7
8
15
1
OCT Sensor
Figure 81: Face and Bypass With 3-Way End-of-Cycle
Valve (Piping Outside Unit End Compartment)
OCT Sensor
2
1
3
4
5
15
6
15
15
7
Table 29: Number Descriptions for Figure 80 & Figure 81
1 Three-way End of Cycle control valve (Daikin)
2 Coil air vent (Daikin)
3 Coil drain (Daikin)
4 Shutoff valve (by others)
5 Balancing shutoff valve(s) (by others)
6 Supply
7 Return
8 Unions (by others), must disconnect below oor line
9 Two-way, End of Cycle two-position valve (Daikin)
10 Union: Half attached to coil, half attached to valve
11 Modulating control valve (Daikin)
12 All piping, ttings and unions by others (not Daikin
except as noted)
13 Steam check valve and pressure equalizing line (Daikin)
14 Float and thermostatic steam trap (by others)
15 Supply and return coil connection and stub-up unions
(by others)

Table of Contents

Related product manuals