EasyManua.ls Logo

Daikin AVV - Typical Microtech Wiring - 115 Volt; 60 Hz; 1 Phase

Daikin AVV
76 pages
Print Icon
To Next Page IconTo Next Page
To Next Page IconTo Next Page
To Previous Page IconTo Previous Page
To Previous Page IconTo Previous Page
Loading...
IM 817-7 44 www.DaikinApplied.com
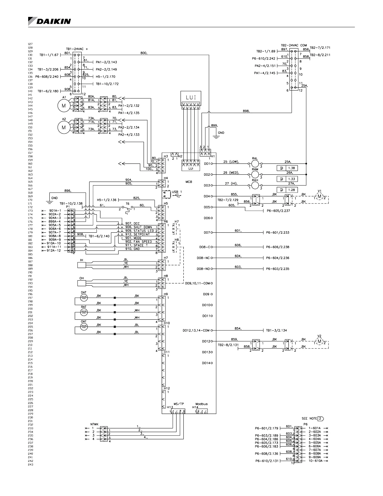
Typical MicroTech Wiring – 115Volt / 60Hz / 1 Phase
Note: See on page 45 for typical MicroTech service and disconnect wiring and wiring schematic legend.

Table of Contents

Related product manuals