EasyManua.ls Logo

Delta Modulon DPH series - Battery Mode _ Single Input_ Parallel Units

Delta Modulon DPH series
232 pages
Print Icon
To Next Page IconTo Next Page
To Next Page IconTo Next Page
To Previous Page IconTo Previous Page
To Previous Page IconTo Previous Page
Loading...
3-12
Modulon DPH Series
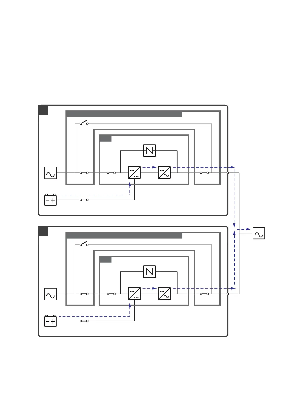
3.1.10
Battery Mode _ Single Input_ Parallel Units
If the main AC source cannot supply power, for example, when unstable voltage or a power
outage occurs, all parallel UPSs will automatically transfer from online mode to battery mode.
During the conversion process, output voltage remains the same, and during battery mode,
each UPS’s tri-color LED illuminates yellow and each UPS’s LCD shows the text ‘Battery’ in
the upper right corner. Please refer to Figure 3-12 for the path of electrical power through the
parallel UPSs in battery mode.
MAIN
LOAD
MAIN
1
2
Q1 Q0 Q4
Q3
UPS
Q1 Q0 Q4
Q3
UPS
Q5
Q5
Delta or non-Delta External Maintenance Bypass Cabinet
Batteries
Rectifier Inverter
Static Switch
Delta or non-Delta External Maintenance Bypass Cabinet
Batteries
Rectifier Inverter
Static Switch
Figure 3-12: Battery Mode Diagram_ Single Input Parallel Units

Table of Contents

Related product manuals