EasyManua.ls Logo

Delta Modulon DPH series - Bypass Mode_ Single Input_ Parallel Units

Delta Modulon DPH series
232 pages
Print Icon
To Next Page IconTo Next Page
To Next Page IconTo Next Page
To Previous Page IconTo Previous Page
To Previous Page IconTo Previous Page
Loading...
3-13
3
Operation Modes
3.1.11
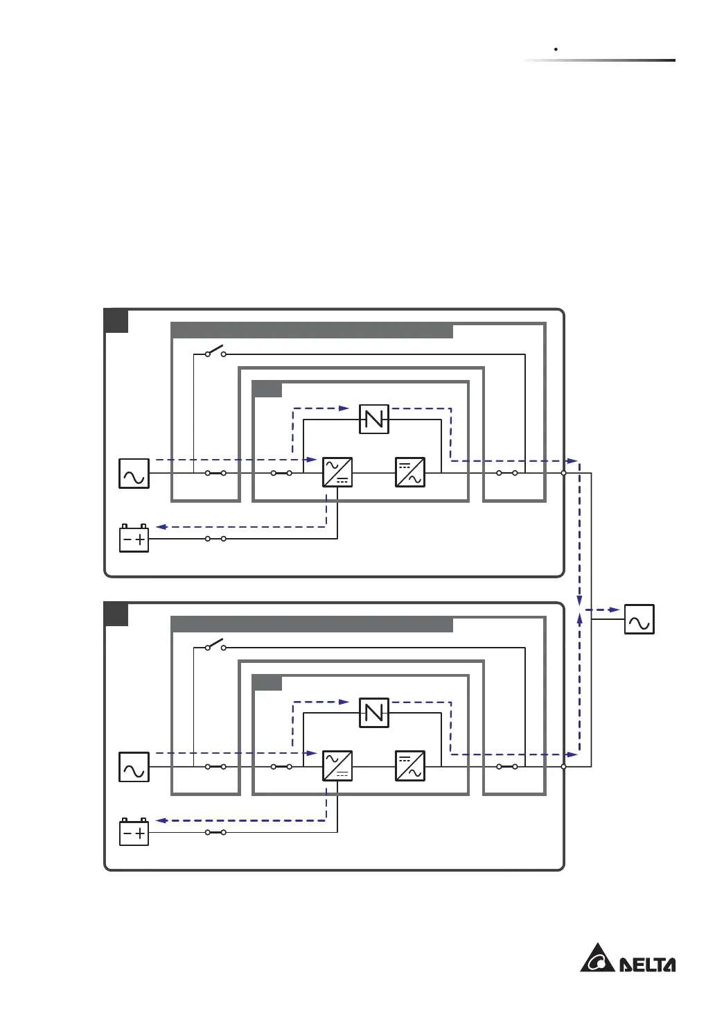
Bypass Mode_ Single Input_ Parallel Units
In parallel mode, when all inverters encounter abnormal situations such as overload, short
circuit, abnormal output voltage or low battery, they will automatically shut themselves down.
Meanwhile, if all UPSs detect the bypass AC source is normal, they will automatically switch
to bypass mode to protect the connected critical loads from power interruption. The critical
loads will be equally shared by all parallel units. After the abnormalities mentioned above
are eliminated, the UPSs will switch back to online mode from bypass mode. During bypass
mode, each UPS’s tri-color LED illuminates yellow and each UPS’s LCD shows the text
‘Bypass’ in the upper right corner. Please see Figure 3-13 for the path of electrical power
through the parallel UPSs in bypass mode.
MAIN
LOAD
MAIN
1
2
Q1 Q0 Q4
Q3
UPS
Q1 Q0 Q4
Q3
UPS
Q5
Q5
Delta or non-Delta External Maintenance Bypass Cabinet
Batteries
Rectifier Inverter
Static Switch
Delta or non-Delta External Maintenance Bypass Cabinet
Batteries
Rectifier Inverter
Static Switch
(Figure 3-13: Bypass Mode Diagram_ Single Input Parallel Units)

Table of Contents

Related product manuals