EasyManua.ls Logo

Delta Modulon DPH series - ECO Mode_ Dual Input_ Parallel Units

Delta Modulon DPH series
232 pages
Print Icon
To Next Page IconTo Next Page
To Next Page IconTo Next Page
To Previous Page IconTo Previous Page
To Previous Page IconTo Previous Page
Loading...
3-30
Modulon DPH Series
3.2.12
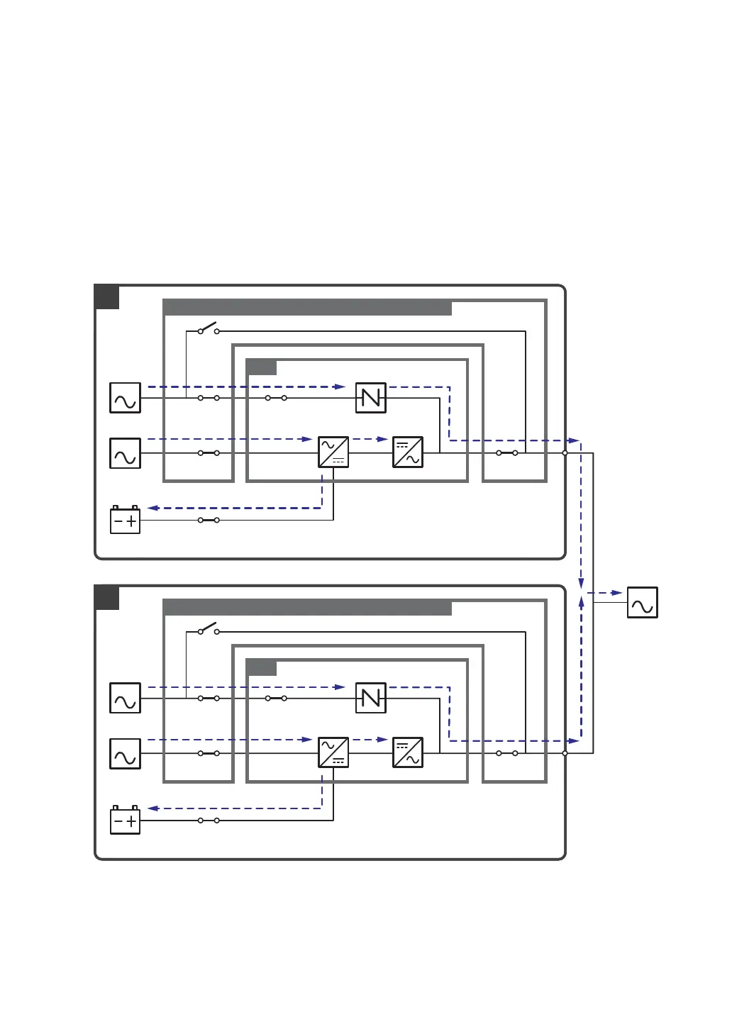
ECO Mode_ Dual Input_ Parallel Units
To activate ECO mode, please refer to 6.2.5 ECO Mode Start-up Procedures, 7.6 Main
Screen and 7.10.2 Mode Setting.
In ECO mode (parallel), when each UPS’s bypass input voltage and frequency are within the
range of rating voltage ±10% and rating frequency ±3Hz, each UPS works in bypass mode;
otherwise, each UPS runs in online mode. During ECO mode, each UPS’s tri-color LED
illuminates green and each UPS’s LCD shows the text ‘ECO’ in the upper right corner. Please
see Figure 3-29 for the path of electrical power through the parallel UPSs in ECO mode.
MAIN
LOAD
BYPA.
MAIN
BYPA.
1
2
Q0Q2
Q0Q2
Q1 Q4
Q3
UPS
Q1 Q4
Q3
UPS
Q5
Q5
Delta or non-Delta External Maintenance Bypass Cabinet
Batteries
Delta or non-Delta External Maintenance Bypass Cabinet
Batteries
Rectifier Inverter
Static Switch
Rectifier Inverter
Static Switch
(Figure 3-29: ECO Mode Diagram_ Dual Input Parallel Units)

Table of Contents

Related product manuals