EasyManua.ls Logo

Delta Modulon DPH series - Frequency Conversion Mode_ Single Input_ Parallel Units

Delta Modulon DPH series
232 pages
Print Icon
To Next Page IconTo Next Page
To Next Page IconTo Next Page
To Previous Page IconTo Previous Page
To Previous Page IconTo Previous Page
Loading...
3-31
3
Operation Modes
3.2.13
Frequency Conversion Mode_ Single Input_ Parallel Units
To activate frequency conversion mode, please refer to 6.2.6 Frequency Conversion Mode
Start-up Procedures, 7.6 Main Screen and 7.10.2 Mode Setting.
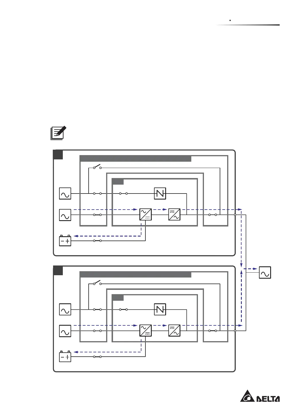
For parallel application, after each of the parallel UPSs is manually set in frequency conversion
mode, each inverter will automatically select 50Hz or 60Hz as the fixed output frequency.
After the output frequency is determined, each system will automatically disable the bypass
function. Please note that, once each inverter shuts down, there is no bypass output. During
frequency conversion mode, each UPS’s tri-color LED illuminates green and each UPS’s
LCD shows the text ‘Frequency Conversion’ in the upper right corner. Please see Figure
3-30 for the path of electrical power through the parallel UPSs in frequency conversion mode.
127(௓During frequency conversion mode (parallel), once all of the UPSs’ inverters
shut down, there is no bypass output.
MAIN
LOAD
BYPA.
MAIN
BYPA.
1
2
Q0Q2
Q0Q2
Q1 Q4
Q3
UPS
Q1 Q4
Q3
UPS
Q5
Q5
Delta or non-Delta External Maintenance Bypass Cabinet
Batteries
Rectifier Inverter
Static Switch
Delta or non-Delta External Maintenance Bypass Cabinet
Batteries
Rectifier Inverter
Static Switch
(Figure 3-30: Frequency Conversion Mode Diagram_ Dual Input Parallel Units)

Table of Contents

Related product manuals