EasyManua.ls Logo

Delta Modulon DPH series - Page 41

Delta Modulon DPH series
232 pages
Print Icon
To Next Page IconTo Next Page
To Next Page IconTo Next Page
To Previous Page IconTo Previous Page
To Previous Page IconTo Previous Page
Loading...
3-15
3
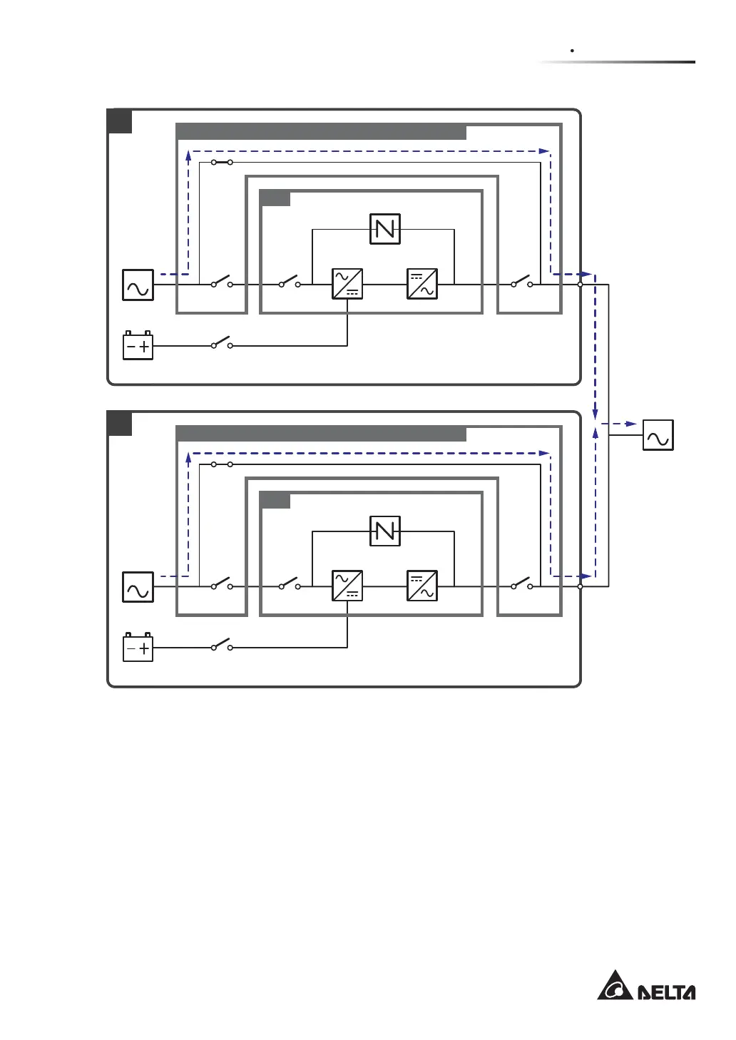
Operation Modes
MAIN
LOAD
MAIN
1
2
Q1 Q0 Q4
Q3
UPS
Q1 Q0 Q4
Q3
UPS
Q5
Q5
Delta or non-Delta External Maintenance Bypass Cabinet
Batteries
Rectifier Inverter
Static Switch
Delta or non-Delta External Maintenance Bypass Cabinet
Batteries
Rectifier Inverter
Static Switch
(Figure 3-14: Manual Bypass Mode Diagram_ Single Input Parallel Units)

Table of Contents

Related product manuals