EasyManua.ls Logo

Delta Ultron Series - Page 95

Delta Ultron Series
154 pages
Print Icon
To Next Page IconTo Next Page
To Next Page IconTo Next Page
To Previous Page IconTo Previous Page
To Previous Page IconTo Previous Page
Loading...
95
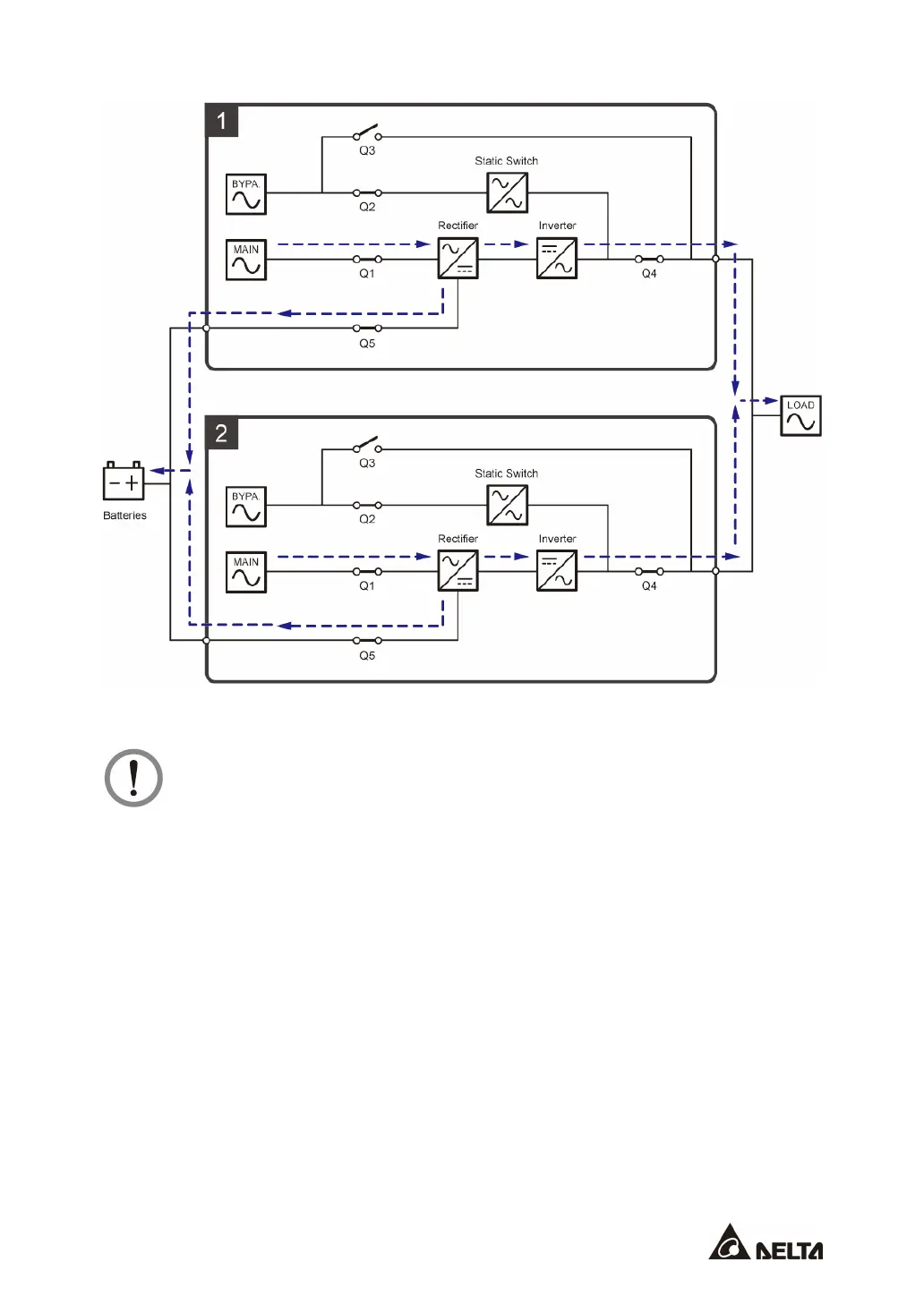
(Figure 5-52: Common Battery Diagram)
WARNING:
1. Before performing battery/ battery cabinet replacement, please turn off each
external battery cabinet’s breaker (Q5) to completely disconnect the battery
power from the UPS.
2. A battery can present a risk of electric shock and high short-circuit current.
Servicing of batteries and battery cabinets must be performed or supervised
by qualified service personnel knowledgeable in batteries, battery cabinets and
the required precautions. Keep unauthorized personnel away from batteries
and battery cabinets.

Table of Contents

Related product manuals