EasyManua.ls Logo

DETEWE OpenCom 130 - COM Port

DETEWE OpenCom 130
204 pages
Print Icon
To Next Page IconTo Next Page
To Next Page IconTo Next Page
To Previous Page IconTo Previous Page
To Previous Page IconTo Previous Page
Loading...
Installation Connectible Devices
56
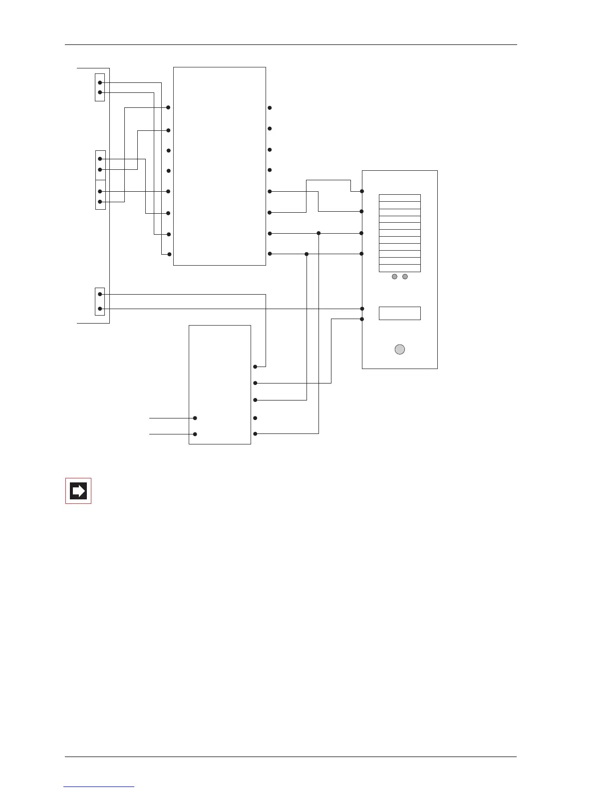
Connection of
doorway equipment produced by Siedle
Note: The above diagram shows the usage of the “PVG 402-
0” module (which merely serves as an example). Other mo-
dules can also be operated, such as its successor, “PVG 602-
01”.
3.12.5 COM Port
By installing the V.24 interface card a serial port on the COM interface is provided.
Please note: The connection line for the COM port can be up to three me-
tres long.
A PC for configuring the OpenCom 100 or transmitting call data can be connected
to the COM port. This call data can be evaluated in detail with the call charge regis-
tration program OpenCount.
Door bell
Siedle
12
11
9
+
Sensor
Actor1
Actor2
a/b1
Door opener
Relay
PVG 402-0
Amplifier
c1
7
LW
1
12
11
9
+
To
Ts
-T
+T
To
Ts*
b
a
9
-
+
c
b
NG 402-02
Ac adapter
230 V ~
12 V ~

Table of Contents

Related product manuals