EasyManua.ls Logo

Dinolift 240RXT - Hydraulic Diagram; Drive Transmission

Dinolift 240RXT
113 pages
Print Icon
To Next Page IconTo Next Page
To Next Page IconTo Next Page
To Previous Page IconTo Previous Page
To Previous Page IconTo Previous Page
Loading...
DINO 240RXT
108
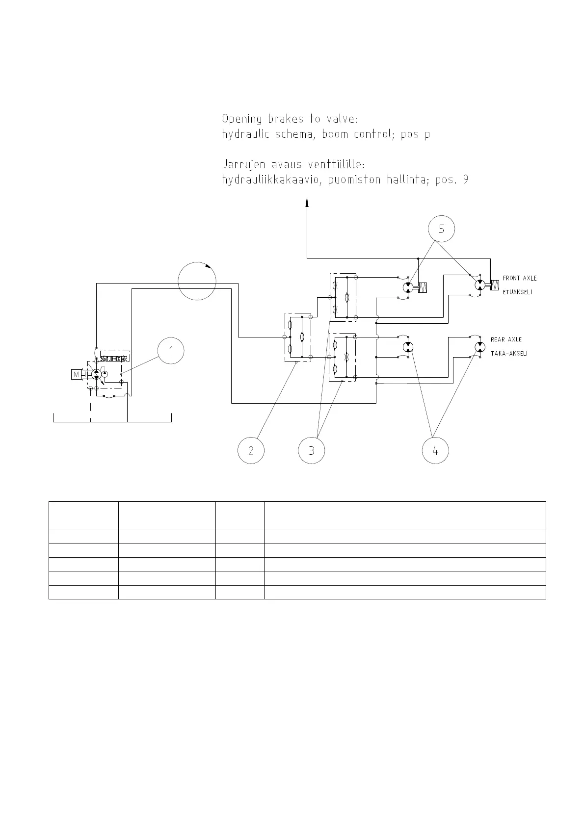
22 HYDRAULIC DIAGRAM; DRIVE TRANSMISSION
To the disengagement valve of the brakes
hydraulic diagram; boom operation, pos. 9
REF. NO.
SPARE PART
NO.
PC ITEM
1 47.2081 1 DOUBLE PUMP
2 47.2845 1 FLOW DIVIDER VALVE
3 47.2861 2 FLOW DIVIDER VALVE
4 47.2326 2 HYDRAULIC MOTOR
5 47.2327 2 HYDRAULIC MOTOR

Table of Contents

Other manuals for Dinolift 240RXT

Related product manuals