EasyManua.ls Logo

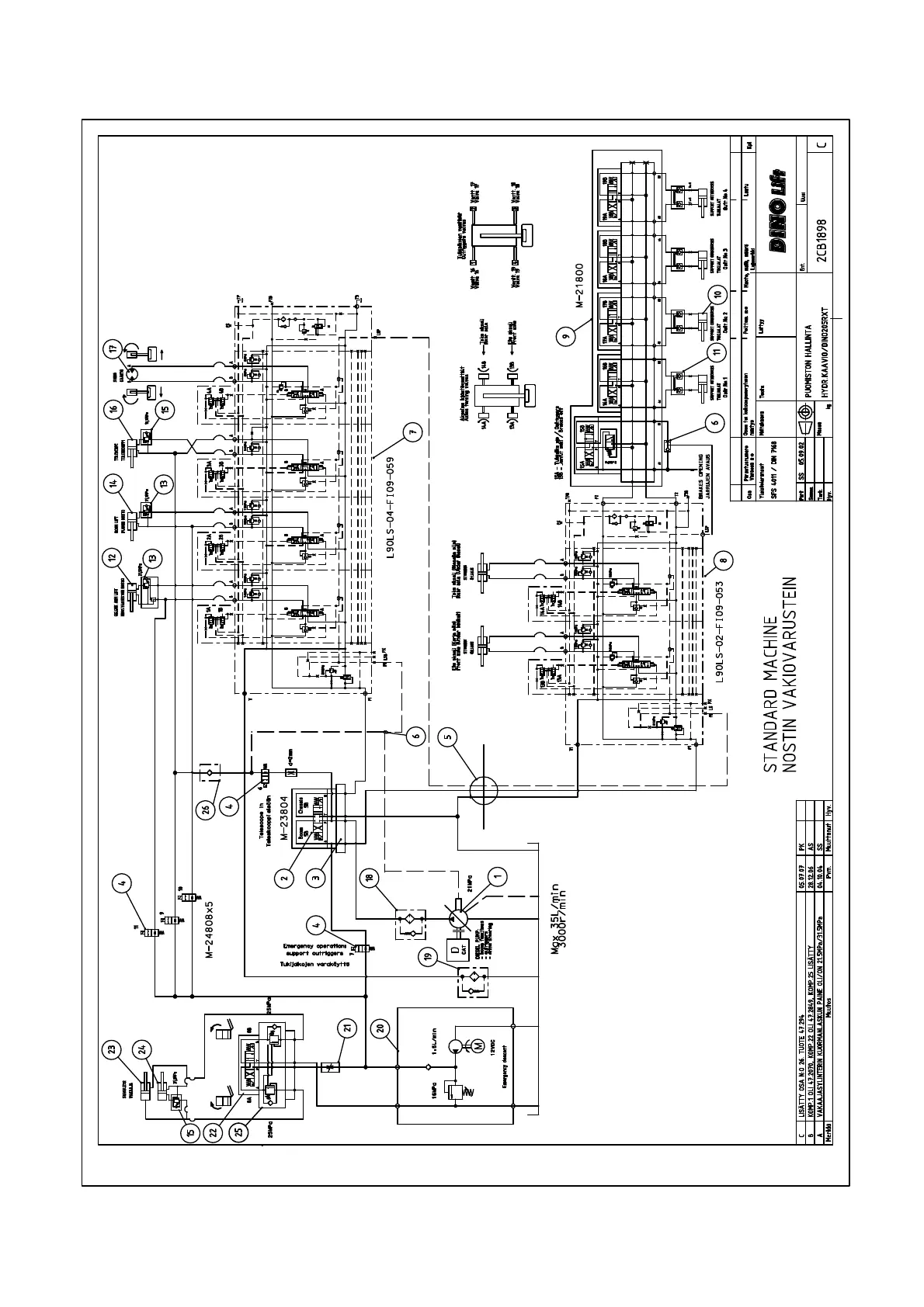
Dinolift 240RXT - Hydraulic Diagram; Boom Operation

Dinolift 240RXT
113 pages
Print Icon
To Next Page IconTo Next Page
To Next Page IconTo Next Page
To Previous Page IconTo Previous Page
To Previous Page IconTo Previous Page
Loading...
DINO 240RXT
110
24 HYDRAULIC DIAGRAM; BOOM OPERATION No. 24013---

Table of Contents

Other manuals for Dinolift 240RXT

Related product manuals