EasyManua.ls Logo

Dover HEIL DuraPack 5000 - Throttle Advance - Cat Engine - 272-1818-121

Dover HEIL DuraPack 5000
686 pages
Print Icon
To Next Page IconTo Next Page
To Next Page IconTo Next Page
To Previous Page IconTo Previous Page
To Previous Page IconTo Previous Page
Loading...
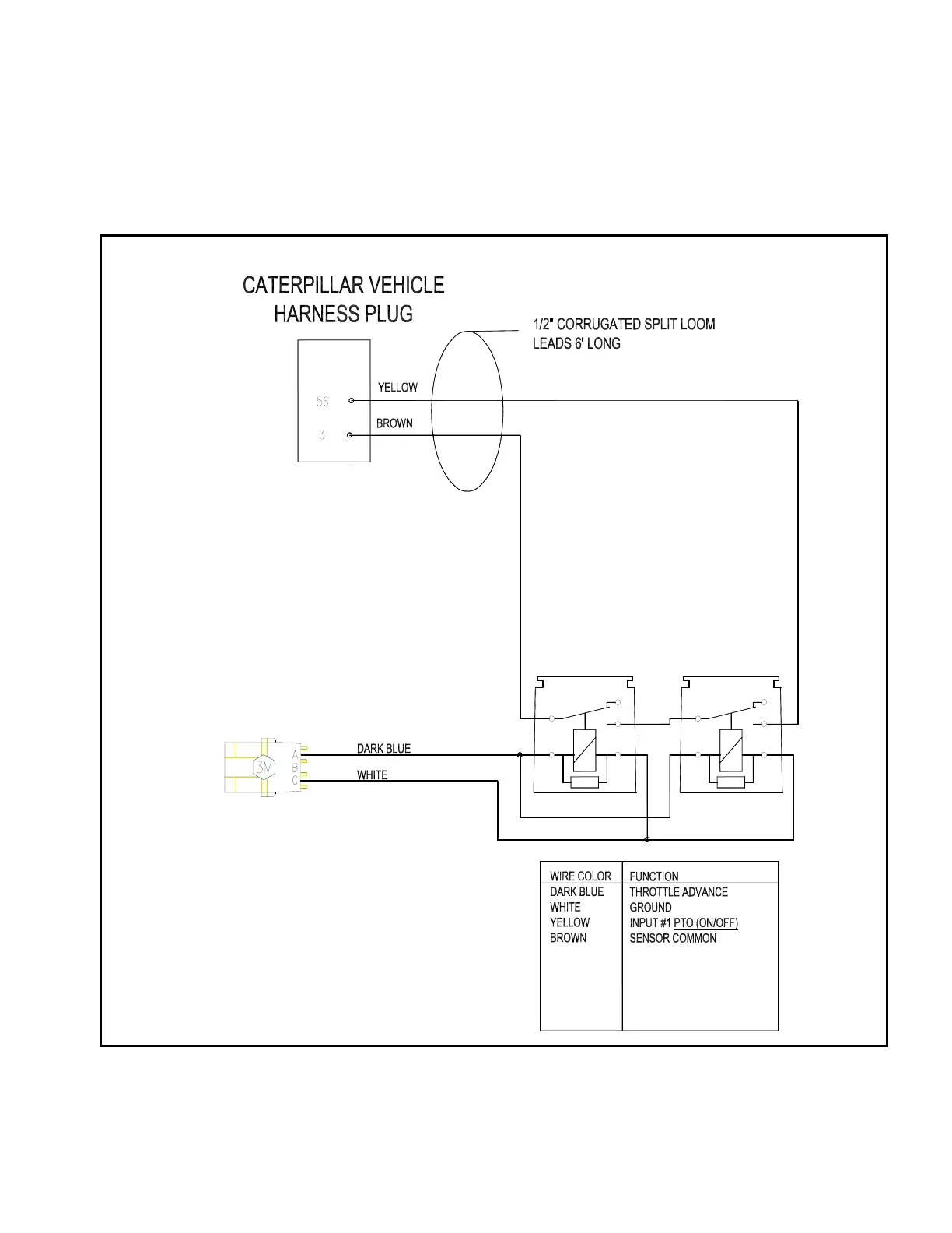
THROTTLE ADVANCE for ELECTRONIC CONTROLLED
CAT ENGINE
272-1818-121
4.9
Printed in U.S.A.
©COPYRIGHT 1999, H.E.I.L
ISSUED APRIL 1999
THROTTLE ADV.
PLUGGED
GROUND
44
1
3
2
5
12
3
5

Table of Contents