EasyManua.ls Logo

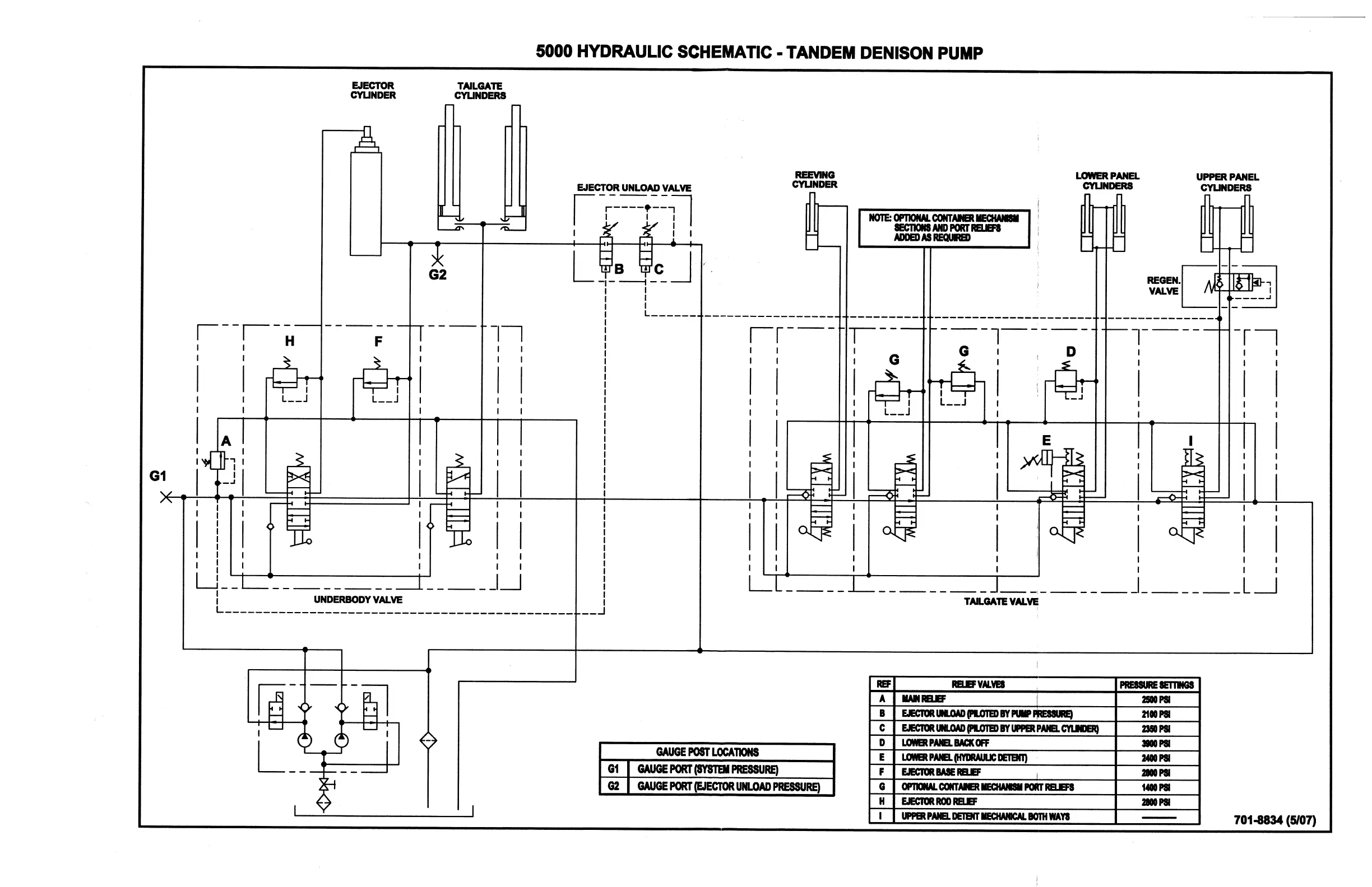
Dover HEIL DuraPack 5000 - 5000 Hydraulic Schematic-Tandem Denison Pump

Dover HEIL DuraPack 5000
686 pages
Print Icon
To Next Page IconTo Next Page
To Next Page IconTo Next Page
To Previous Page IconTo Previous Page
To Previous Page IconTo Previous Page
Loading...

Table of Contents