EasyManua.ls Logo

Dover HEIL DuraPack 5000 - Page 68

Dover HEIL DuraPack 5000
686 pages
Print Icon
To Next Page IconTo Next Page
To Next Page IconTo Next Page
To Previous Page IconTo Previous Page
To Previous Page IconTo Previous Page
Loading...
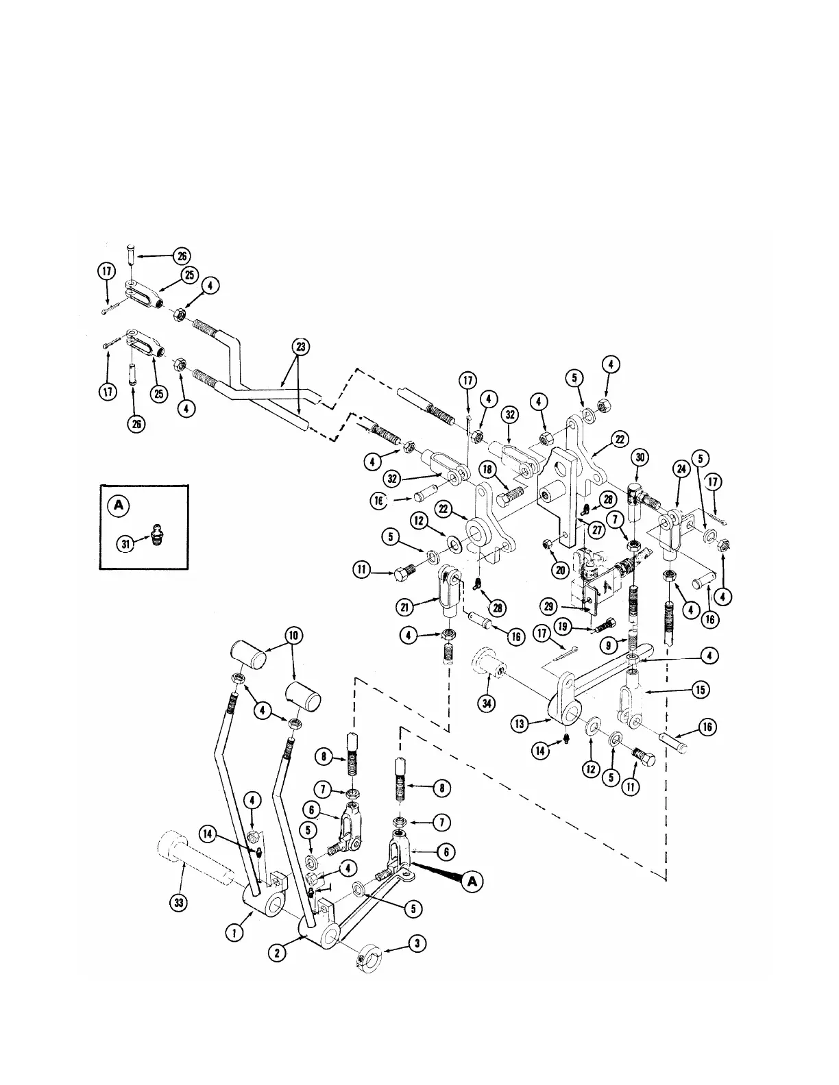
TAILGATE CONTROLS and ATTACHING PARTS
3.2
ISSUED JANUARY 2006
©COPYRIGHT 2006, Heil Environmental

Table of Contents