EasyManua.ls Logo

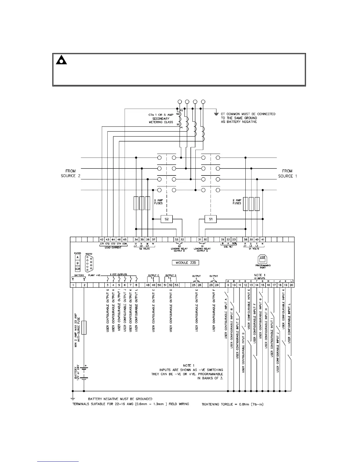
DSE 335 - 3 INSTALLATION; 3.2.1 DSE335 3 PHASE, 4 WIRE WITH RESTRICTED EARTH FAULT PROTECTION

Default Icon
90 pages
Print Icon
To Next Page IconTo Next Page
To Next Page IconTo Next Page
To Previous Page IconTo Previous Page
To Previous Page IconTo Previous Page
Loading...
Installation
Page 35 of 90 057-233 ISSUE: 1
3.2.1 DSE335 3 PHASE, 4 WIRE WITH RESTRICTED EARTH FAULT PROTECTION
NOTE: Earthing the neutral conductor ‘before’ the neutral CT allows the module to read
earth faults ‘after’ the CT only (Restricted to load / downstream of the CT)
Earthing the neutral conductor ‘after’ the neutral CT allows the module to read earth faults
‘before’ the CT only (Restricted to source / upstream of the CT)

Table of Contents