EasyManua.ls Logo

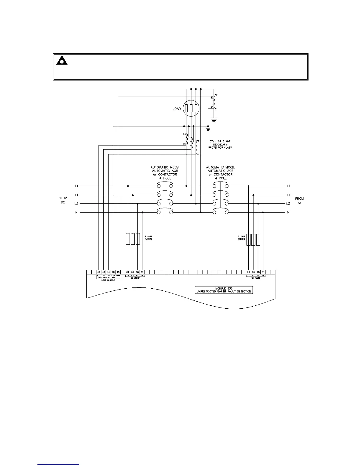
DSE 335 - 3 INSTALLATION; 3.3.8 3 PHASE 4 WIRE WITH UNRESTRICTED EARTH FAULT MEASURING

Default Icon
90 pages
Print Icon
To Next Page IconTo Next Page
To Next Page IconTo Next Page
To Previous Page IconTo Previous Page
To Previous Page IconTo Previous Page
Loading...
Installation
Page 41 of 90 057-233 ISSUE: 1
3.3.8 3 PHASE 4 WIRE WITH UNRESTRICTED EARTH FAULT MEASURING
NOTE: Unrestricted Earth Fault Protection detects earth faults in the load and in the
sources. Be sure to measure the natural earth fault of the site before deciding upon an earth
fault alarm trip level.

Table of Contents