EasyManua.ls Logo

Duratech 2009 - Page 127

Default Icon
132 pages
Print Icon
To Next Page IconTo Next Page
To Next Page IconTo Next Page
To Previous Page IconTo Previous Page
To Previous Page IconTo Previous Page
Loading...
119
2009 DURATECH TUB GRINDER OPERATING INSTRUCTIONS
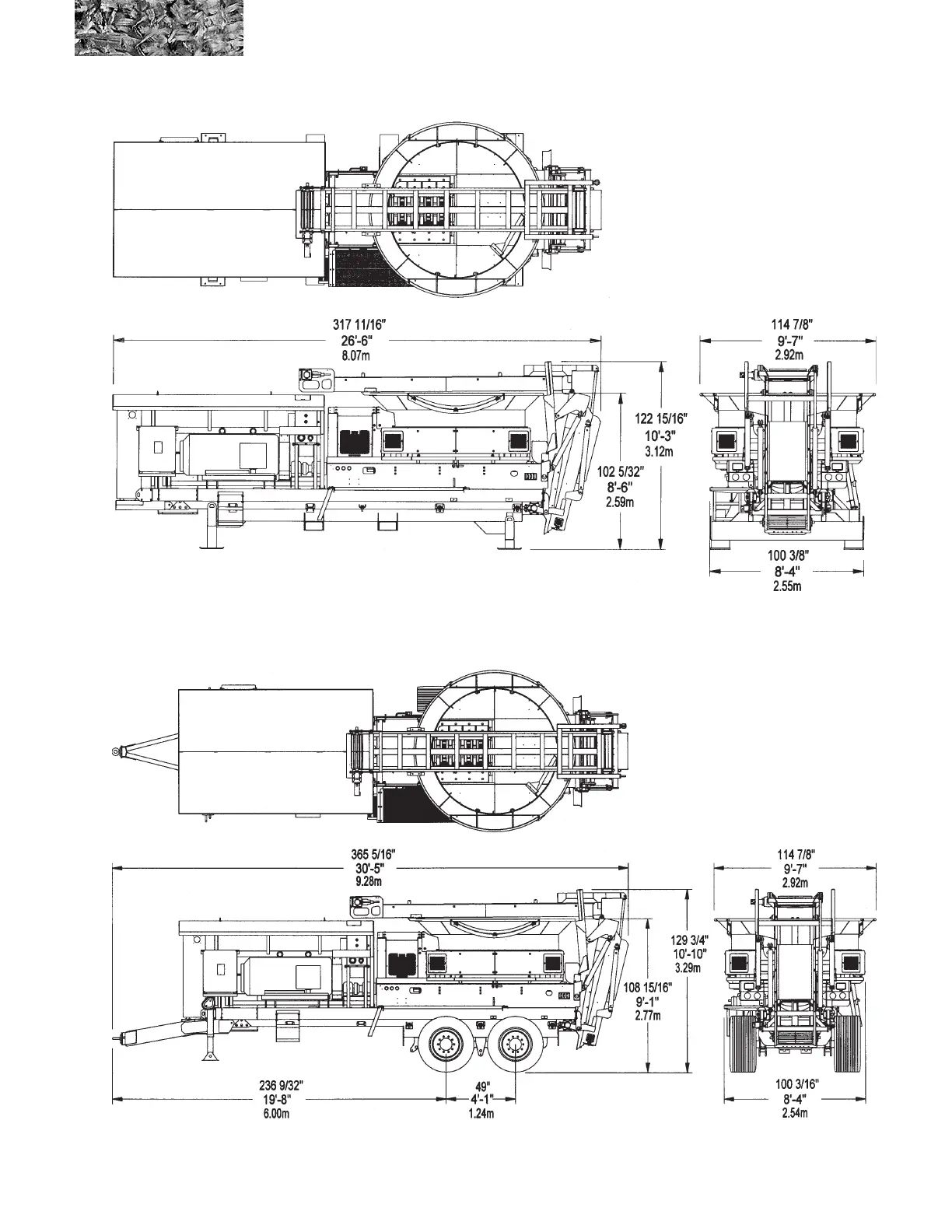
Electric Skid Unit
Electric Mobile Unit

Table of Contents