EasyManua.ls Logo

Dvorak ILD02 SG - NBB Electric Diagram ILD02

Dvorak ILD02 SG
83 pages
Print Icon
To Next Page IconTo Next Page
To Next Page IconTo Next Page
To Previous Page IconTo Previous Page
To Previous Page IconTo Previous Page
Loading...
81 / 83 SM-SG-2 Ev3/25062014
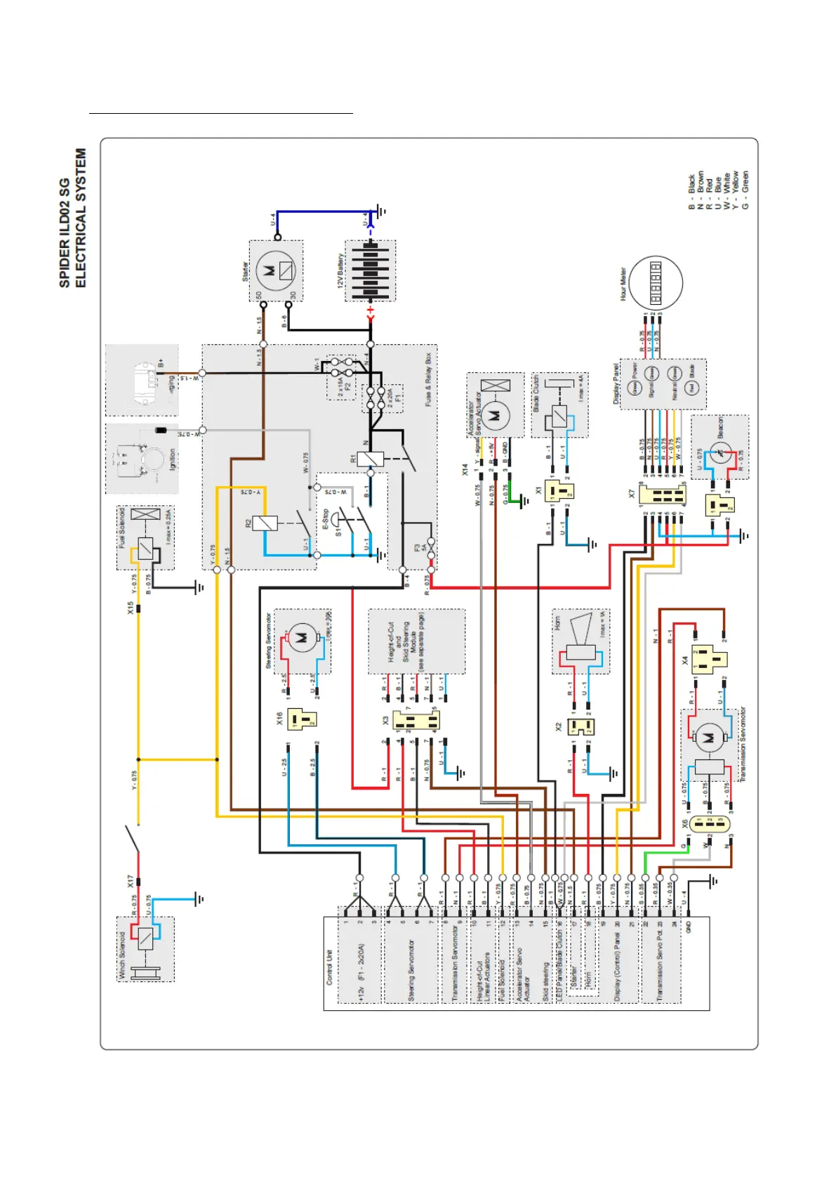
7.19 NBB ELECTRIC DIAGRAM ILD02 SG

Table of Contents

Related product manuals