EasyManua.ls Logo

Electrolux R134A - Page 44

Electrolux R134A
94 pages
Print Icon
To Next Page IconTo Next Page
To Next Page IconTo Next Page
To Previous Page IconTo Previous Page
To Previous Page IconTo Previous Page
Loading...
2-16
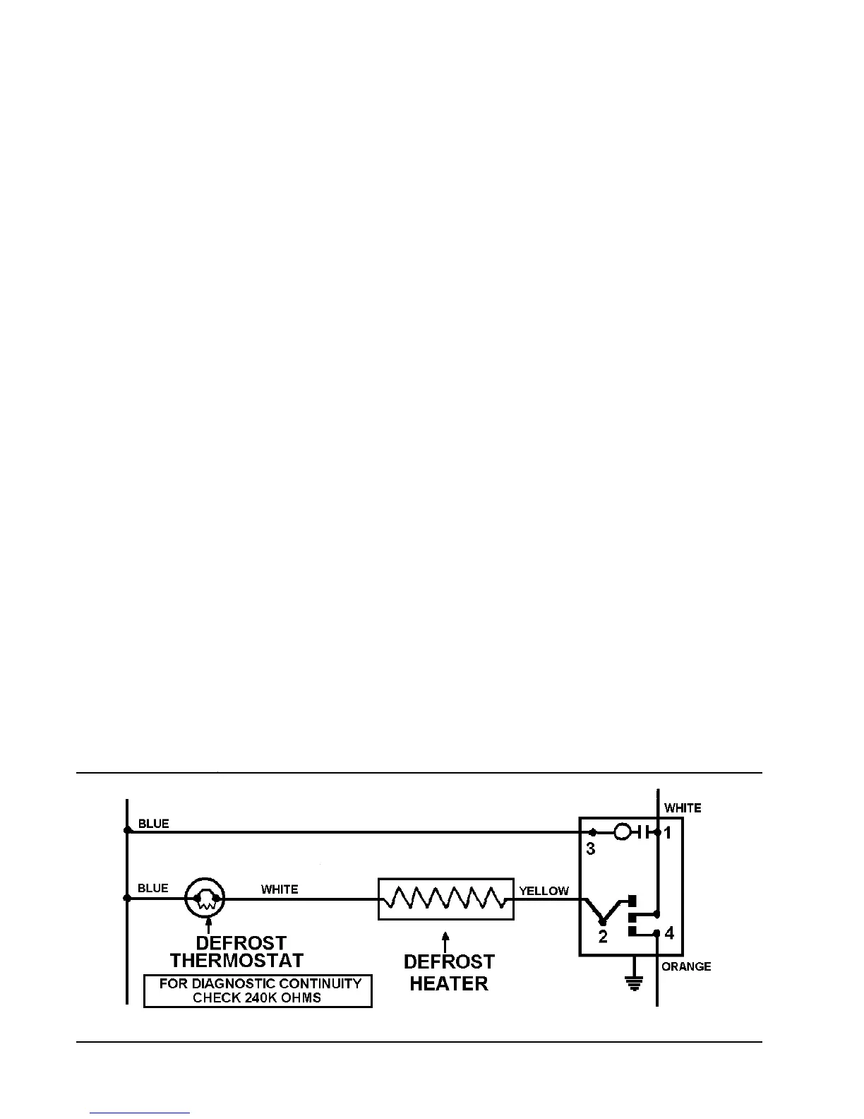
3. Disconnect the timer wire harness con-
nector from the defrost timer.
4. Set the ohmmeter to R x 1K scale and
connect the probes to the No. 2 and
No. 3 terminals of the disconnect plug.
5. The meter should read between 20 to
40 ohms. The resistance is not critical.
If there is continuity between terminals
No. 2 and 3, the defrost heater is in op-
erative condition. If there are no resis-
tance readings (open circuit) the defrost
heater and thermostat must be checked
individually.
NOTE: When using the meter, avoid
touching the probes as this could result
in a false reading and misdiagnosis.
To test the defrost heater and thermostat
when the evaporator temperature is +15ºF.
or below, proceed as follows:
1. Disconnect the unit from the power
source and plug it into a watt meter.
2. Plug the watt meter into power source
and manually advance the defrost timer
to the defrost cycle. See the defrost
timer section for information on manu-
ally advancing the timer.
3. The watt meter should read between
345 and 475 watts depending on the
model (total wattage of the timer mo-
tor and defrost heater). Should the
reading be 0 to 4.5 watts, the defrost
heater or thermostat is defective. To
further isolate the defective part, pro-
ceed to step 4.
4. Disconnect the unit from the watt meter.
5. Follow steps 2 and 3 of testing the
heater and thermostat when the evapo-
rator temperature is +15ºF. or higher.
6. If the meter reads approximately 240K
ohms, the defrost thermostat is defec-
tive.
To use an ohmmeter, set the meter to R x
1K scale. If the reading is approximately 20
to 40 ohms, the defrost heater and thermo-
stat are operative.

Table of Contents

Other manuals for Electrolux R134A

Related product manuals