Home
Enertech
Heat Pump
VS Series
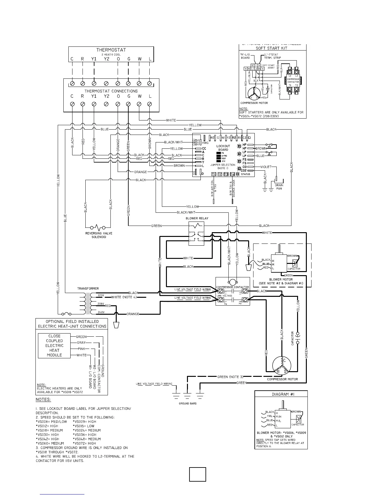
Page 47 (Single Stage, PSC Fan, Single Phase, 208;230 V or 115 V, 60 Hz, Commercial)
Enertech VS Series - Single Stage, PSC Fan, Single Phase, 208;230 V or 115 V, 60 Hz, Commercial
80 pages
Manual
Save Page as PDF
To Next Page
To Next Page
To Previous Page
To Previous Page
Loading...
47
IOM, VS/VT Models, Rev A
Enertech Global
Single Stage, PSC Fan, Single Phase, 208/230V or 115V, 60Hz, Commercial
Section 10: Wiring Diagrams
46
48
Table of Contents
Main Page
Default Chapter
2
Table of Contents
2
Section 1: Model Nomenclature and AHRI Data
4
VS/VT Model Nomenclature
4
AHRI Performance Data, VS, W/PSC Blower
5
AHRI Performance Data, VS, W/ECM Blower
5
AHRI Performance Data, VT, W/ECM Blower
6
Section 2: Installation Introduction
7
Introduction, Unit Protection and Pre-Installation
7
Section 2: Installation Introduction
8
Section 3: Installation Considerations Consumer Instructions
9
Duct Work and Typical Supply and Return Ductwork Connections
10
Section 4: Unit Data Information
11
Dimensional Data and Installation Clearances
11
Unit Physical Data
13
VS - ECM Electrical Data - 015-042
14
VS - ECM Electrical Data - 048-072
15
VS - PSC Electrical Data - 006-030
16
VS - PSC Electrical Data - 036-072
17
VT - ECM Electrical Data - 024-072
18
PSC Fan Performance, Single Stage Compressor Units
19
ECM Fan Performance, Single & Two-Stage Compressor Units
19
Water Flow Calculations and Selection
20
Section 5: Unit Piping Installation Water Quality
21
Interior Piping
22
Condensation Drain Connection
22
ACDT2A - EZ-Trap 1" Kit (Customer Must Provide a 1" S X 3/4" Mips Adapter)
22
Typical Pressurized Flow Center Installation
22
Typical Non-Pressurized Flow Center Installation
22
Pressurized Flow Center and Pump Mounting
23
Typical Unit Piping Connections
24
External Flush Valves
24
Open Loop Piping and Connections
25
Flushing & Charging a Pressurized Flow Center
26
Water Quality
26
Removing Debris During Flushing
26
Flush Cart Design
26
Antifreeze Overview
29
Antifreeze Characteristics
29
Antifreeze Specific Gravity
30
Antifreeze Charging
31
Pipe Fluid Volume
31
Antifreeze Percentages by Volume
31
APSMA Pump Sharing Module
32
Section 6: Desuperheater Installation
33
Desuperheater Installation and Plumbing Installation
33
Desuperheater Installation with Single Water Heater
35
Desuperheater Installation with Preheat Tank
35
Section 7: Auxiliary Heater
36
Auxiliary Heater Nomenclature Decoder and Overview
36
Section 8: Electrical Connections
37
Single Phase Connections, Typical Thermostat Connections and Three Phase Connections
37
Section 9: Controls
38
Microprocessor Features and Operation
38
Loop Pump Circuit Breakers and Safety Controls
39
Temperature Sensor Operating Range
40
LED Identification
41
Hot Water Generator (HWG) Pump Control
42
Sequence of Operation
42
Section 10: Wiring Diagrams
44
Single Stage, PSC Fan, Single Phase, 208/230V, 60HZ, DSH, Residential/Commercial
44
Two Stage or Single Stage, ECM Fan, Single Phase, 208/230V, 60Hz, DSH
45
Single Stage, PSC Fan, Single Phase, 208/230V, 60Hz, Residential/Commercial
46
Single Stage, PSC Fan, Single Phase, 208/230V or 115V, 60Hz, Commercial
47
Two Stage or Single Stage, ECM Fan, Single Phase, 208/230V, 60Hz
48
Two Stage or Single Stage, ECM Fan, Single Phase, 208/230V, 60Hz, Commercial
49
Single Stage, PSC Fan, Three Phase, 208/230V, 60Hz, Commercial
50
Single Stage, PSC Fan, Three Phase, 208/230V, 60Hz, DSH, Commercial
51
Single Stage, PSC Fan, Three Phase, 460V, 60Hz, Commercial
52
Single Stage, Three Phase , 460V or 575V, 60Hz, DSH, Commercial
53
Two Stage or Single Stage, ECM Fan, Three Phase, 208/230V, 60Hz, Commercial
54
Two Stage or Single Stage, ECM Fan, Three Phase, 208/230V, 60Hz, DSH, Commercial
55
Two Stage or Single Stage, ECM Fan, Three Phase, 460V, 60Hz, Commercial
56
Single Stage, PSC Fan, Single Phase, 265V, 60Hz, Commercial
57
Single Stage, PSC Fan, Single Phase, 265V, 60Hz, DSH, Commercial
58
Two Stage or Single Stage, ECM Fan, Single Phase, 265V, 60Hz, Commercial
59
Two Stage or Single Stage, ECM Fan, Single Phase, 265V, 60Hz, DSH, Commercial
60
Two Stage or Single Stage, ECM Fan, Three Phase, 460V, 60Hz, DSH, Commercial
61
Section 11: Equipment Start-Up Procedures
62
Equipment Start-Up Process
62
Equipment Start-Up Form
63
VS Series, Heat of Extraction/Heat of Rejection Tables
64
HE/HR Table, Standard PSC Blower
64
HE/HR Table, Optional ECM Blower
64
VT Series, Heat of Extraction/Heat of Rejection Tables
65
HE/HR Table, Standard ECM Blower
65
VS Series, Pressure Drop Tables
66
VT Series, Pressure Drop Tables
67
Section 12: Troubleshooting Performance Check
68
QR Codes for Installation or Troubleshooting Tip Videos
68
Model VS Operating Parameter Tables
69
Model VT Operating Parameter Tables
70
Compressor Troubleshooting
71
Refrigeration Troubleshooting
72
Superheat/Subcooling Conditions
72
Troubleshooting Worksheet
73
Troubleshooting Tips
74
Unit Electrical Data
76
Section 13: Warranty
77
Warranty Order & Claim Form
77
Warranty Registration Form
78
Related product manuals
Enertech EAV Series
104 pages
Enertech EAV060
104 pages
Enertech AV Series
76 pages