EasyManua.ls Logo

Enertech VS Series - Two Stage or Single Stage, ECM Fan, Single Phase, 208;230 V, 60 Hz

Enertech VS Series
80 pages
Print Icon
To Next Page IconTo Next Page
To Next Page IconTo Next Page
To Previous Page IconTo Previous Page
To Previous Page IconTo Previous Page
Loading...
48
Enertech Global IOM, VS/VT Models, Rev A
Two Stage or Single Stage, ECM Fan, Single Phase, 208/230V, 60Hz
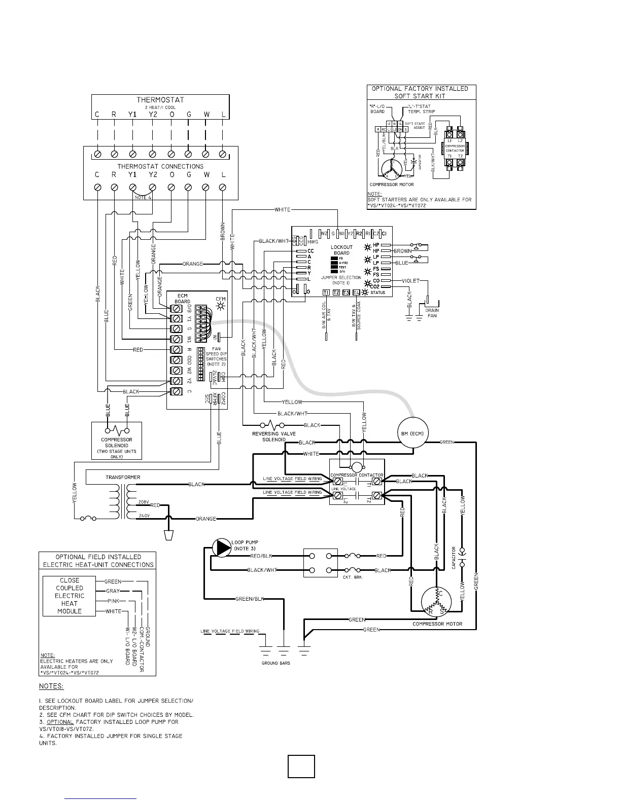
Section 10: Wiring Diagrams

Table of Contents

Related product manuals