EasyManua.ls Logo

Enertech VS Series - Single Stage, PSC Fan, Three Phase, 208;230 V, 60 Hz, DSH, Commercial

Enertech VS Series
80 pages
Print Icon
To Next Page IconTo Next Page
To Next Page IconTo Next Page
To Previous Page IconTo Previous Page
To Previous Page IconTo Previous Page
Loading...
51
IOM, VS/VT Models, Rev A Enertech Global
ENERTECH
GLOBAL, LLC
2506 S. ELM ST.
GREENVILLE, IL 62246
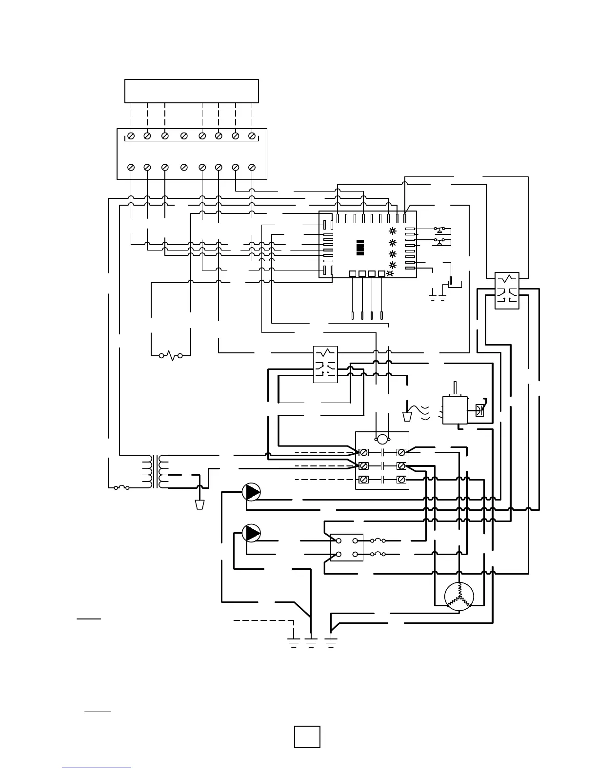
WATER-TO-AIR UNIT, SINGLE STAGE, PSC FAN, THREE PHASE, 208/230V,
60Hz, DSH, COMMERCIAL VS SERIES
THERMOSTAT
2 HEAT/1 COOL
C R Y1 Y2 O G W L
THERMOSTAT CONNECTIONS
C R Y1 Y2 O G W L
NOTES:
1. SEE LOCKOUT BOARD LABEL FOR JUMPER SELECTION/
DESCRIPTION.
2. DESUPERHEATER PUMP POWER WIRES ARE NOT
CONNECTED AT THE FACTORY. DO NOT CONNECT THE
WIRES UNTIL THE PIPING IS COMPLETED AND PURGED OF
AIR. RUNNING THE PUMP WITHOUT WATER WILL DAMAGE
THE PUMP.
3. SPEED SHOULD BE SET TO THE FOLLOWING:
*VS018= MEDIUM *VS024= MEDIUM
*VS030= HIGH *VS036= HIGH
*VS042= HIGH *VS048= MEDIUM
*VS060= MEDIUM *VS072= HIGH
4.
OPTIONAL FACTORY INSTALLED LOOP PUMP.
26W085-01NN
TRANSFORMER
240V
L1
T1
L2
T2
LINE VOLTAGE
COMPRESSOR CONTACTOR
C
S
R
REVERSING VALVE
SOLENOID
COMPRESSOR MOTOR
CKT. BRK.
GROUND BARS
LINE VOLTAGE FIELD WIRING
LINE VOLTAGE FIELD WIRING
LINE VOLTAGE FIELD WIRING
BLACK
BLACK
BLACK
BLACK
BLACK
RED
RED
ORANGE
YELLOW
YELLOW
GREEN
GREEN
BLACK
RED
ORANGE
BROWN
DRAIN
PAN
BLUE
VIOLET
BLACK
BROWN
DSH PUMP
(NOTE 2)
GREEN
RED
BLACK
BLACK
BLACK
BLACK
BLACK
RED
RED
BROWN
ORANGE
YELLOW
YELLOW
YELLOW
YELLOW
YELLOW
YELLOW
GREEN
GREEN
GREEN
BLACK/WHT
BLUE
BLUE
BLUE
BLACK
BLACK
BLACK
BLACK
GREEN
CC
A
C
R
Y
L
O
HP
HP
LP
LP
FS
FS
CO
CO2
R2
C2 C1
CC
A
C
R
Y
L
O
HP
HP
LP
LP
FS
FS
CO
CO2
R2
C1
CC
A
C
R
Y
L
O
HP
HP
LP
LP
FS
FS
CO
CO2
C1
TO DISCH. LINE
TO HWG OUTLET
CC
A
C
R
Y
L
O
HP
HP
LP
LP
FS
FS
CO
CO2
C1
STATUS
o/v
a-frz
test
T1
T2
T3
JUMPER SELECTION
(NOTE 1)
fs
T4
B/W AIR COIL
& TXV
B/W TXV &
SOURCE COAX
CCG
Y
L
O
HP
HP
LP
LP
FS
FS
CO
CO2
R1 C1
STATUS
LOCKOUT
BOARD
o/v
a-frz
test
CCG1
HWG
O
T1
T2
T3
fs
T4
W2
W1
RED
RED
BLACK/WHT
208V
RED
G
Y2
BLACK
BLACK
BLACK
LINE VOLTAGE
COMPRESSOR CONTACTOR
L3
T3
LINE VOLTAGE FIELD WIRING
GREEN
BLOWER MOTOR
(NOTE 3)
BLACK/WHT
RED/BLK
REVISION HISTORY
REV DESCRIPTION DATE APPROVED
WHITE
BLACK
HWG RELAY
RED
RED
BLACK
YELLOW
WHITE
WHITE
BLACK/WHT
BLACK
BLOWER RELAY
H
M
L
CAPACITOR
BROWN
BLUE
H
M
L
BLUE
BLACK
RED
0
1
2
3
4
6
7
8
BLACK
WHITE
BLACK
GREEN
0
1
2
3
4
6
7
8
D
MOD. PER ECN 17-317-N01
9-28-17
KURT M.
LOOP PUMP
(NOTE 4)
BLACK/WHT
RED/BLK
GREEN/BLK
Single Stage, PSC Fan, Three Phase, 208/230V, 60Hz, DSH, Commercial
Section 10: Wiring Diagrams

Table of Contents

Related product manuals