EasyManua.ls Logo

Enertech VS Series - Two Stage or Single Stage, ECM Fan, Three Phase, 208;230 V, 60 Hz, Commercial

Enertech VS Series
80 pages
Print Icon
To Next Page IconTo Next Page
To Next Page IconTo Next Page
To Previous Page IconTo Previous Page
To Previous Page IconTo Previous Page
Loading...
54
Enertech Global IOM, VS/VT Models, Rev A
ENERTECH
GLOBAL, LLC
2506 S. ELM ST.
GREENVILLE, IL 62246
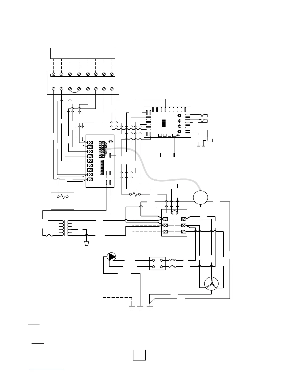
WATER-TO-AIR UNIT, TWO STAGE OR SINGLE STAGE, ECM FAN, THREE
PHASE, 208/230V, 60Hz, COMMERCIAL VT/VS SERIES
26W092-01NN
TRANSFORMER
240V
208V
L1
T1
L2
T2
LINE VOLTAGE
COMPRESSOR CONTACTOR
REVERSING VALVE
SOLENOID
LINE VOLTAGE FIELD WIRING
LINE VOLTAGE FIELD WIRING
RED
ORANGE
YELLOW
GREEN
BLACK
GREEN
YELLOW
BLUE
BM (ECM)
COMPRESSOR
SOLENOID
(TWO STAGE UNITS
ONLY)
BLUE
BLUE
BLACK
BLACK
WHITE
NOTES:
1. SEE LOCKOUT BOARD LABEL FOR JUMPER SELECTION/
DESCRIPTION.
2. SEE CFM CHART FOR DIP SWITCH CHOICES BY MODEL.
3. JUMPER REMOVED FOR TWO STAGE UNITS.
4.
OPTIONAL FACTORY INSTALLED LOOP PUMP.
L1
T1
L2
T2
LINE VOLTAGE
COMPRESSOR CONTACTOR
L3
T3
LINE VOLTAGE FIELD WIRING
REVISION HISTORY
REV DESCRIPTION DATE APPROVED
BLUE
BLUE
BLACK/WHT
THERMOSTAT
2 HEAT/1 COOL
C R Y
1
Y2 O G W L
THERMOSTAT CONNECTIONS
C R Y
1
Y2 O G W L
DRAIN
PAN
BLUE
VIOLET
BLACK
BROWN
YELLOW
B/W AIR COIL
& TXV
B/W TXV &
SOURCE COAX
O
ECM
BOARD
O/B Y
1
G W
1
R ODD W2 Y2 C
FAN
SPEED DIP
SWITCHES
(NOTE 2)
W1
COM
24VAC
XFMR
SEC
COM2
CFM
BROWN
YELLOW
YELLOW
YELLOW
BLACK
BLUE
BLACK
ORANGE
ORANGE
RED
RED
BLACK
GREEN
BLACK
ORANGE
RED
CC
A
C
R
Y
L
O
HP
HP
LP
LP
FS
FS
CO
CO2
R2
C2
C1
CC
A
C
R
Y
L
O
HP
HP
LP
LP
FS
FS
CO
CO2
R2 C1
CC
A
C
R
Y
L
O
HP
HP
LP
LP
FS
FS
CO
CO2
C1
CC
A
C
R
Y
L
O
HP
HP
LP
LP
FS
FS
CO
CO2
C1
STATUS
o/v
a-frz
test
T1
T2
T3
JUMPER SELECTION
(NOTE 1)
fs
T4
CCG
Y
L
O
HP
HP
LP
LP
FS
FS
CO
CO2
R1 C1
STATUS
LOCKOUT
BOARD
o/v
a-frz
test
CCG1
HWG
O
T1
T2
T3
fs
T4
W2
W1
G
Y2
NOTE 3
BLACK/WHT
BLACK/WHT
WHITE
WHITE
WHITE
D
MOD. PER ECN 17-317-N01
9-28-17
KURT M.
C
S
R
CKT. BRK.
GROUND BARS
LINE VOLTAGE FIELD WIRING
BLACK
BLACK
BLACK
BLACK
BLACK
RED
RED
YELLOW
GREEN
GREEN
LOOP PUMP
(NOTE 4)
BLACK/WHT
RED/BLK
GREEN/BLK
Two Stage or Single Stage, ECM Fan, Three Phase, 208/230V, 60Hz, Commercial
Section 10: Wiring Diagrams

Table of Contents

Related product manuals