EasyManua.ls Logo

Enviro C60I - Page 44

Enviro C60I
55 pages
Print Icon
To Next Page IconTo Next Page
To Next Page IconTo Next Page
To Previous Page IconTo Previous Page
To Previous Page IconTo Previous Page
Loading...
44
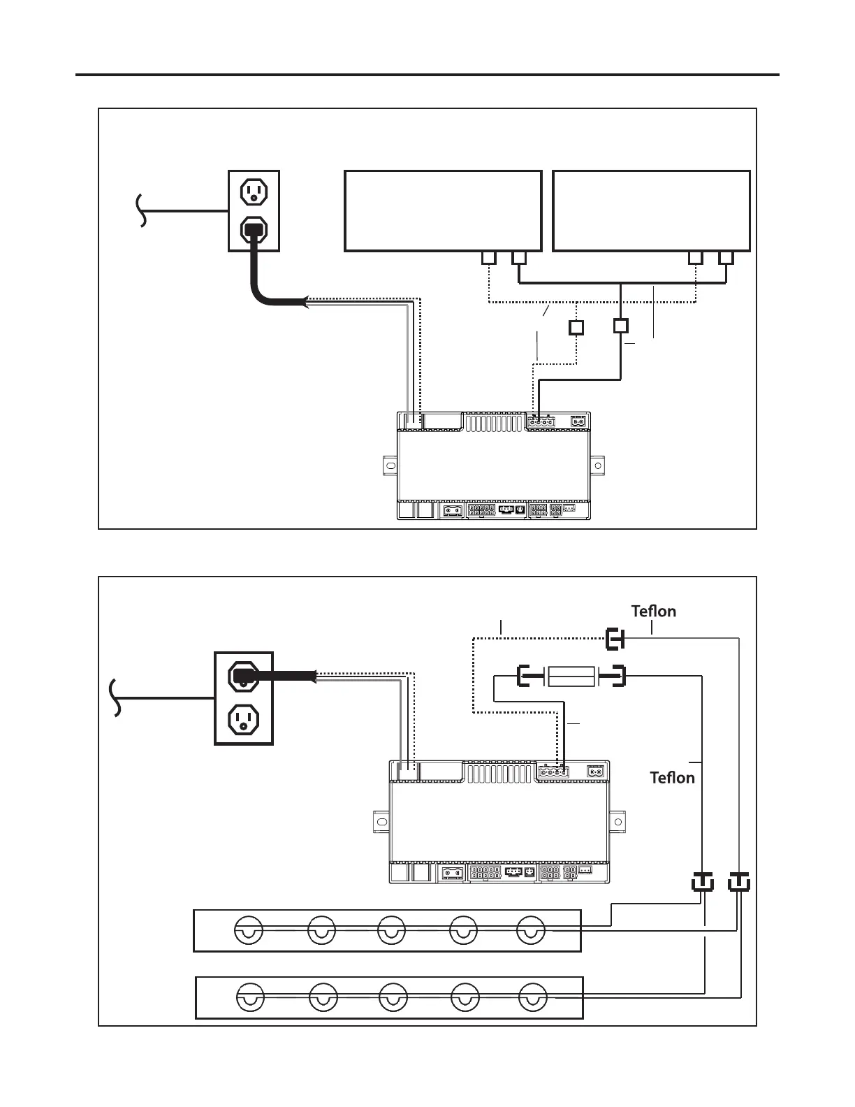
Figure 53: Fan Kit Wiring Diagram
Initial Installation
QUALIFIED INSTALLERS ONLY
Green
Fan
Receptacle
Inside Cabinet
White
Incoming
Power
120
VAC
Fan
Black
IFC
Receptacle
Inside Cabinet
Gray
Incoming
Power
120
VAC
Black
3A Fuse
c
Light Channel Assemblies
Gray
IFC
Black
Figure 54: Light Kit Wiring Diagram

Related product manuals