EasyManua.ls Logo

Epson RX4111CE - Diagram of Wake-Up Timer Interrupt Function

Epson RX4111CE
61 pages
Print Icon
To Next Page IconTo Next Page
To Next Page IconTo Next Page
To Previous Page IconTo Previous Page
To Previous Page IconTo Previous Page
Loading...
14. How to use
RX4111CE Jump to Top / Bottom
ETM62E-02 Seiko Epson Corporation 31
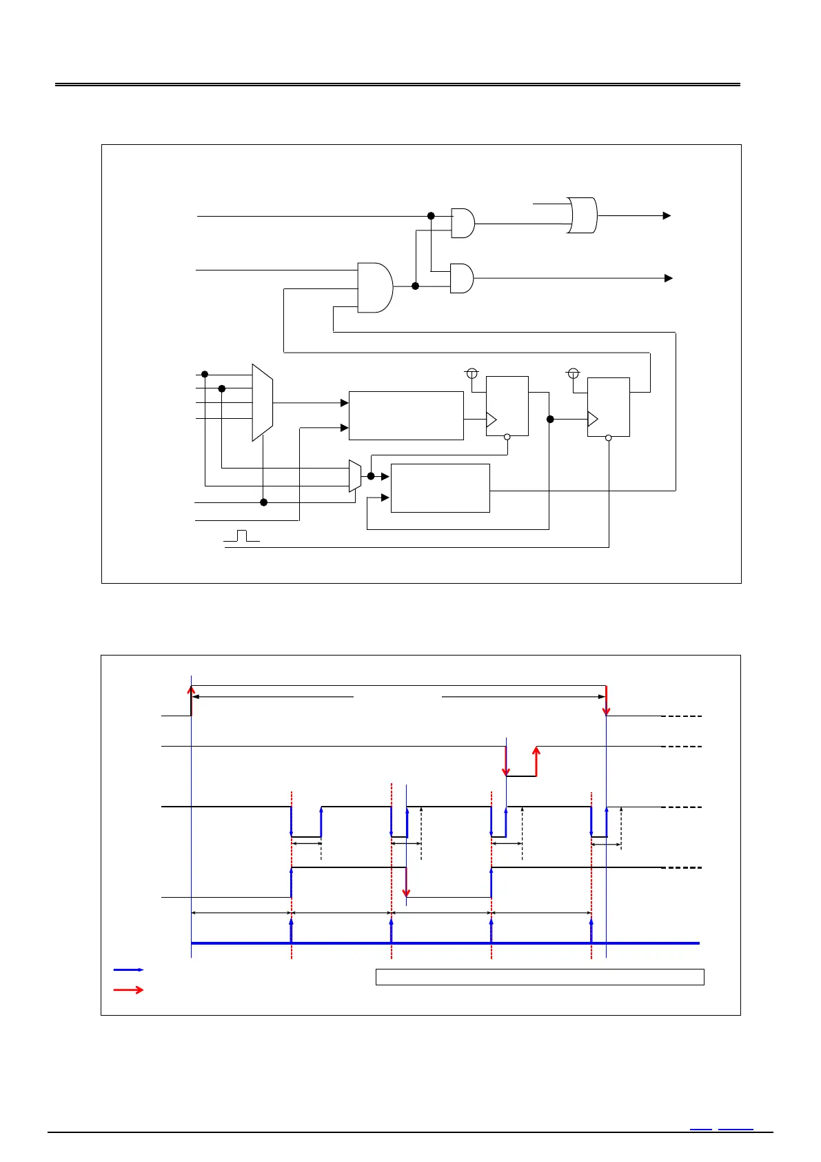
14.2.4. Diagram of Wake-up Timer Interrupt Function
Figure 23 Wake-up Timer Block Diagram
TIE bit
/INT output
TF bit
Timer borrow
is occurred.
TE bit
tRTN2
tRTN2
period
period
period
period
"1"
"0"
"1"
"0"
Hi-z
"L"
"1"
"0"
Internal operation
Write operation
Wake-up Timer starts
Wake-up Timer stops
tRTN2
Wake-up Timer works.
tRTN2
When TE bit or TF bit or TIE bit is cleared, /INT output is released without waiting for tRTN2.
Figure 24 Wake-up Timer Timing Chart
After the interruption occurs when the count value changes from 1hto 0h, the counter automatically reloads the preset
value and again starts to count down. (Repeated operation)
The countdown that starts when the TE bit value changes from 0to 1 always begins from the preset value.
/INT
24 bit
Down Counter
TE
Source clock
4096 Hz
64 Hz
1 Hz
1/60 Hz
TSEL[1:0]
TIE bit
TF ( 0 clear )
TF Flag
/tRTN2
Timer Control
Circuit
FOUT
FOUT
TMPIN bit

Table of Contents

Related product manuals