EasyManua.ls Logo

Epson RX4111CE - Overview; Block Diagram

Epson RX4111CE
61 pages
Print Icon
To Next Page IconTo Next Page
To Next Page IconTo Next Page
To Previous Page IconTo Previous Page
To Previous Page IconTo Previous Page
Loading...
RX4111CE Jump to Top / Bottom
ETM62E-02 Seiko Epson Corporation 5
Built-in frequency adjusted 32.768 kHz crystal unit
Interface Type : SPI-Bus 4 wire, 4 MHz Max.
Low current consumption at backup
Wide operating voltage range : 1.6Vto5.5V
Wide time-keeper voltage range : 1.1Vto5.5V
Auto power switching function : Automatically switches to backup power supply
by monitoring the V
DD
voltage.
Time stamp function : 8 times time-stamp,1/256 seconds with many selectable trigger.
Time stamp memory can be used as users memory; 512 bit, 64 word x 8 bit
Alarm interruption : Day, date, hour, minute, second
The various functions include full calendar, seconds alarm, wake-up timer, and 32.768 kHz output
Self monitoring function : Voltage detection, Crystal oscillation stop, etc.

RX4111CE is a real-time clock module with integrated 32.768 kHz crystal oscillator and SPI-Bus interface. In addition to
providing a calendar (year, month, date, day, hour, minute, second), this module provides other functions including time-
stamp from 1/1024 second to year, alarm, wake-up timer, time update interruption, and 32.768 kHz output. Time stamp
function can record maximum of 8 events. Using the backup battery switch control function and the interface power supply
input pin, RX4111CE can support various power supply circuits. All of the functions mentioned above are offered in a thin
and compact 3.2 x 2.5 ceramic package which could be used in various applications requiring small footprints.

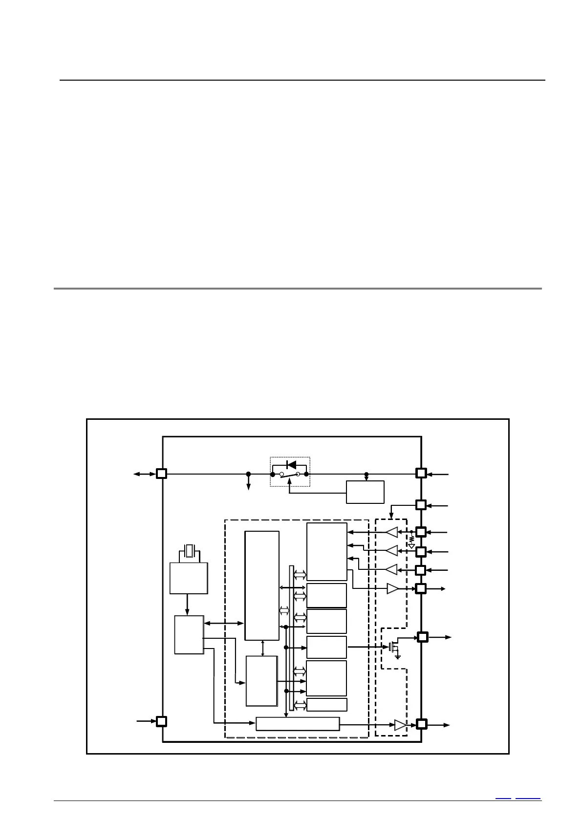
FOUT
V
BAT
GND
Bus
Interface
Register
Control
(System
Control)
RTC Main Circuit
32 kHz
to
1 kHz
Divider
512 Hz
to
1Hz
Divider
Clock
and
Calendar
CLK
CE
V
DD
V
IO
(V
DET
)
V
DD
Detector
OSC
32.768 kHz
Timer
Register
Interrupts
Controller
/INT
User RAM
Event
Controller
I/O
internal
V
DD
DI
DO
Alarm, Timer,
Update, Event
FOUT,
Timer
FOUT Controller
Figure 2 Block Diagram
Low Power Real Time Clock Module with SPI-Bus Interface and Time Stamp Function
RX4111CE

Table of Contents

Related product manuals