EasyManua.ls Logo

ERS AirCool plus - Page 46

Default Icon
55 pages
Print Icon
To Next Page IconTo Next Page
To Next Page IconTo Next Page
To Previous Page IconTo Previous Page
To Previous Page IconTo Previous Page
Loading...
ERS
®
Manual / AirCool
®
plus
-System / SP72_TA1C8 / -55°C +200°C / Ver. 02.02 45
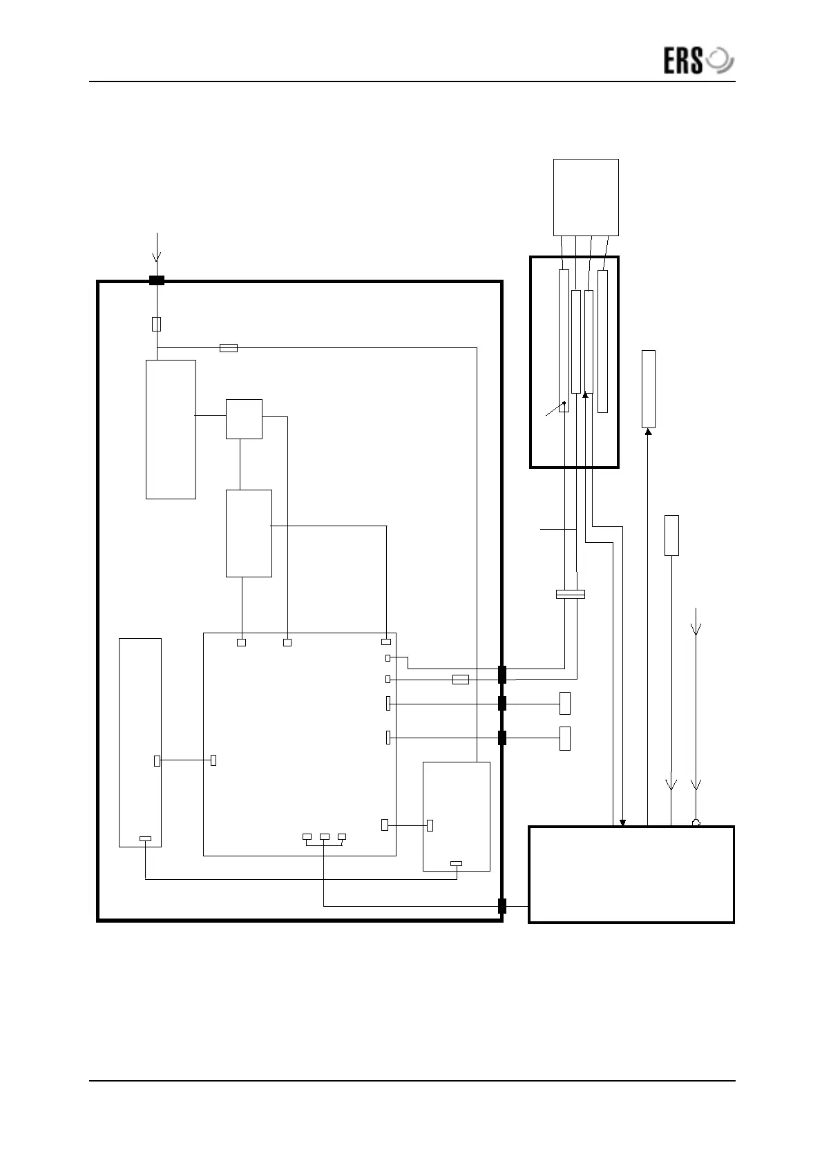
Fig. 11a Function block diagram
X7
Motherboard 180 371
X11
X28
RS232C
Power supply
(TB1;VB1;VB2;CB1;CB2)
Power amplifier
(NB1)
Power supply
(PCB 180352; TB2)
Relay
(KB1)
XC1
Temperature sensor
Chucksurface
Heater
Chiller
Chuckbase
Power supply
Air supply
Controller SP72
Chuck
power cable
Chuck TA1C8
Air 6bar/dew point -45°C
Keyboard + display
(PCB 180 351)
X1
XG1
XG3
X2
X2
XR3
IEEE-488
XR1
XR2
F1
F2
X21X23
F6
X20
X17
X16
Chiller 03
Dry air distributor
(optional)
Dew point sensor
P1
XC32
XC12
XR4
X12
X22
X25

Table of Contents