EasyManua.ls Logo

Esser FACP 8000C - MFAB Terminal Wiring and Status Indicators

Default Icon
169 pages
Print Icon
To Next Page IconTo Next Page
To Next Page IconTo Next Page
To Previous Page IconTo Previous Page
To Previous Page IconTo Previous Page
Loading...
Fire Alarm Computer 8000C
Page 115
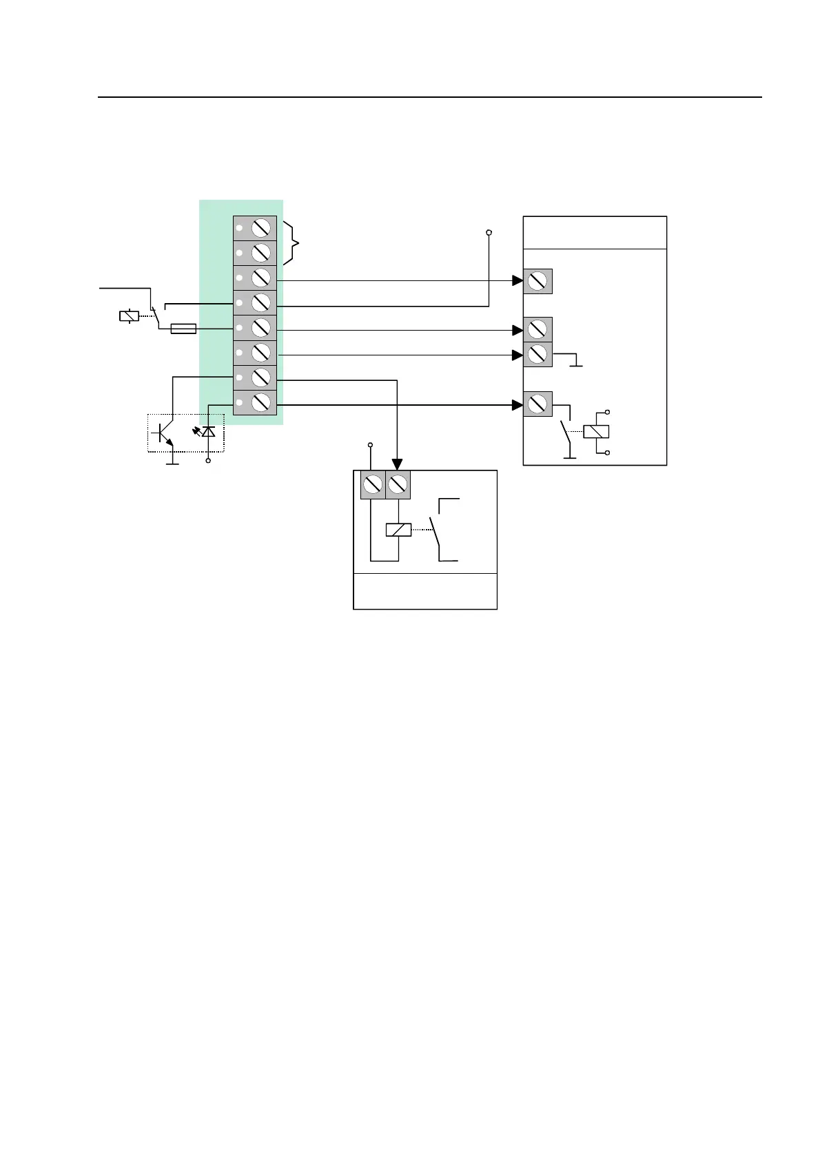
Wiring of the terminal card
The signal to enable the fire service key box (FSKB)is activated when the master box
acknowledge signal (terminal 8 = MFAB acknowledge) from the fire alarm control panel is
detected.
Optical displays of the master box
An activated master box can be identified by a steadily lit red LED Main Detector (MFAB) on the
control panel of the fire alarm control panel. Intervening personnel such as the fire department
have been notified.
If it has been impossible to activate a master box due to an event, possibly because the MFAB
was switched off, this is indicated on the control panel by the steadily lit red LED Notify fire
department.
Master box activation module
do not use
MFAB reset (+12V or +24V/300mA)
+ MFAB
supply
voltage
primary loop to MFAB (+MFAB)
unlock fire department box (switched to GND max. 300mA)
MFAB
acknowiedgment
MFAB
(schematic circuit diagram)
MFABrelay
monitoring
F1
GND
FSK
unlock
+UBext.
1
2
3
4
5
6
7
8
+
K
K
acknowiedgment
contact
FSK
(schematic circuit diagram)

Table of Contents