EasyManua.ls Logo

Fischer Panda 8000x - The Cooling System

Fischer Panda 8000x
190 pages
Print Icon
To Next Page IconTo Next Page
To Next Page IconTo Next Page
To Previous Page IconTo Previous Page
To Previous Page IconTo Previous Page
Loading...
The Panda Generator
10.6.16 Kapitel/Chapter 4: The Panda Generator - Seite/Page 41
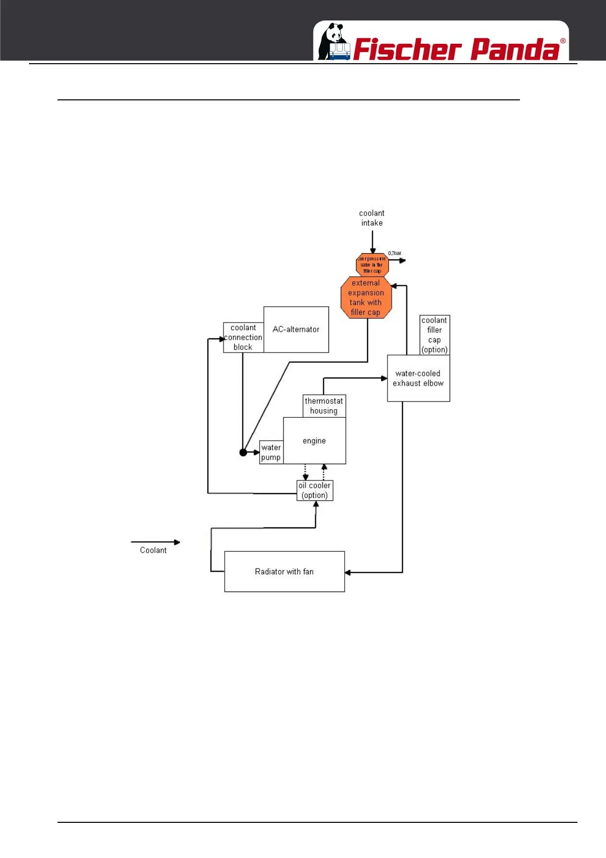
4.3.2 The cooling system
Fig. 4.3.2-1: The cooling system

Table of Contents

Related product manuals