EasyManua.ls Logo

Fischer Panda 8000x - Coil Resistance Measurements in Stator Windings; Checking Windings

Fischer Panda 8000x
190 pages
Print Icon
To Next Page IconTo Next Page
To Next Page IconTo Next Page
To Previous Page IconTo Previous Page
To Previous Page IconTo Previous Page
Loading...
Generator Failure
Seite/Page 128 - Kaptitel/Chapter 8: Generator Failure 10.6.16
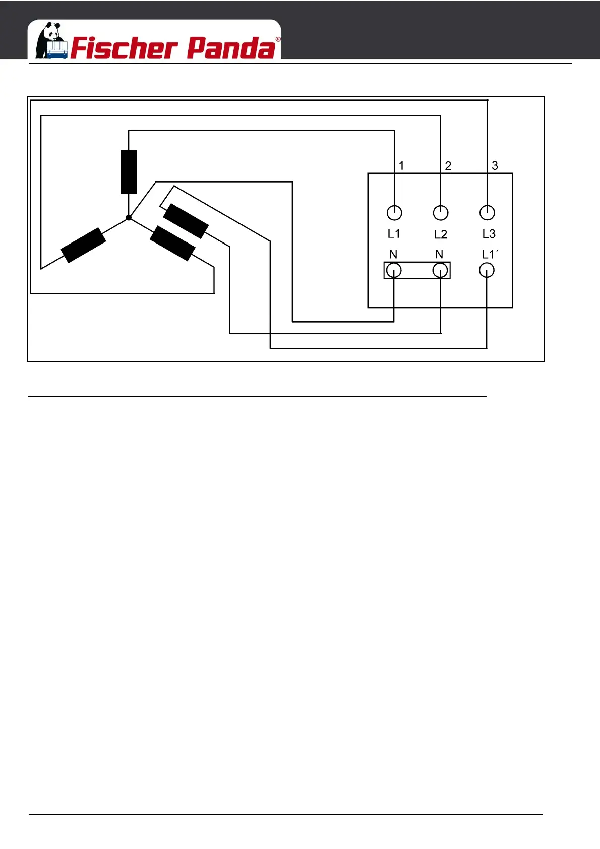
Fig. 8.6.5-11: Wiring diagram DVS - 230 V + 400 V / 50 Hz
8.6.6 Coil Resistance Measurements in Stator Windings
When there are neither faults with the capacitors nor any low or high voltage „shorts“ in the windings to ground, the
windings should then be tested for the correct coils resistance (for shorts between wires within the coils). To
measure coil resistance a meter capable of measuring low resistances (Milli-Ohm resolution if possible) accurately.
8.6.6.1 Checking windings.
Disconnect all the cables from the terminals in the AC-connection box.
Remove the Neutral- Ground connection.
Take all the winding connection cables from the terminal bolts.
Switch your meter in resistance range. When you put the probes of you meter together, you should get a reading
of 0.00 Ohm. When you isolate the probes, the reading will be Overflow. Please do this tests to check your meter.
Measure the resistance between the separate windings. Maybe the readings of your meter do not comply with the
values of the table in the appendix. In every case the relation between the values should be the same. Some meters
do not work fine, when values are very small.
Measure the resistance between the different windings. When you find a value in the 20 Mega- Giga Ohm range,
the winding is ok.
Measure the resistance between the different windings and housing of the alternator. Here you should also find a
value in the Giga-Ohm range. When the winding is shorted to ground, maybe you are not able to measure this,
because the voltage of your meter is a few volts. In this case to get a save reading, use a MEGA-meter with a high
test voltage
If you find any abnormality, when doing this test, please ask your Fischer Panda dealer.
If the measured resistance values deviate from each other significantly, then there is probably a short within the
coils. A short within the coils can prevent the generator from achieving the required excitation and therefore from
reaching the rated power output. The values listed in the above table, represent the approximate range of
acceptable resistances. Most important is that the measures values do not deviate significantly from one another.
Large resistance value deviations between phases indicate a short-circuit in the windings. In this case the generator
must be newly wound by a qualified technician.

Table of Contents

Related product manuals