EasyManua.ls Logo

flamco Flamcomat G4 - Control Module Valve Adjustment Values; Control Module Top-Up Flow Rate

flamco Flamcomat G4
48 pages
Print Icon
To Next Page IconTo Next Page
To Next Page IconTo Next Page
To Previous Page IconTo Previous Page
To Previous Page IconTo Previous Page
Loading...
Manual Flamcomat G4 + Flamcomat Starter G4
We reserve the right to change designs and technical specifications of our products.
46
ENG
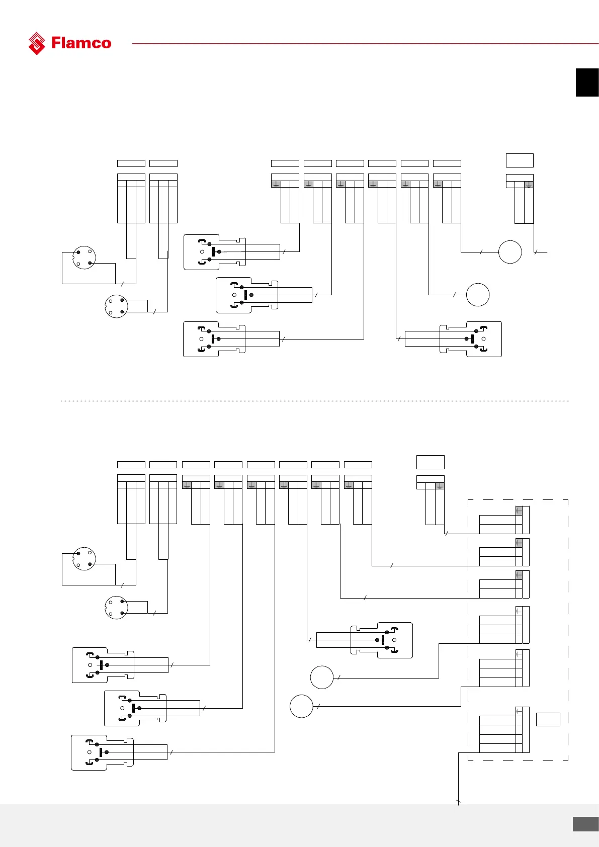
Control unit, terminal plans
Flextronic terminal plan
Flextronic-400 terminal plan
1
2
4
3
2
1
2
4
3
2
1 N
2 L
3
1 N
2 L
3
1 N
2 L
3
1 N
2 L
3
3
3
3
M
1~
M
1~
F
1
2
4
3
2
1
2
4
3
2
1 N
2 L
3
1 N
2 L
3
1 N
2 L
3
1 N
2 L
3
3
3
3
5
M
3~
M
3~
4
4
presure
P15
1 2 3
Signal +
Signal -
brown
blue
presure
P15
1 2 3
Signal +
Signal -
brown
blue
level
P16
1 2 3
Signal +
Signal -
blue
black
level
P16
1 2 3
Signal +
Signal -
blue
black
refill
P31
L N
yellow-green
brown
blue
refill
P31
N L
yellow-green
blue
brown
blue
yellow-green
brown
blue
yellow-green
brown
blue
yellow-green
brown
blue
yellow-green
brown
blue
yellow-green
brown
drain
P32
L N
yellow-green
brown
blue
drain
P32
N L
yellow-green
blue
brown
valve 1
P33
L N
yellow-green
brown
blue
valve 1
P33
N L
yellow-green
blue
brown
valve 2
P34
L N
yellow-green
brown
blue
valve 2
P34
N L
yellow-green
blue
brown
pump 1
P35
L N
yellow-green
brown
blue
pump 1
P35
N L
yellow-green
blue
brown
pump 2
P36
L N
yellow-green
brown
blue
pump 2
P36
N L
yellow-green
blue
brown
TSP36
L N
yellow-green
brown
blue
TSL1
L N
yellow-green
brown
blue
TSP35
L N
yellow-green
brown
blue
pump 2
L1 L2 L3
yellow-green
brown
blue
gray
pump 1
L1 L2 L3
yellow-green
brown
blue
gray
MAINS
N1 L2 L3 L3
yellow-green
blue
brown
black
gray
110-230V
50/60 Hz
MAINS
L
N
brown
blue
yellow-green
brown
brown
blue
blue
blue
blue
black
black
110-230V
50/60 Hz
MAINS
L
N
blue
brown
yellow-green
blue
yellow-green
brown
blue
yellow-green
brown
blue
yellow-green
brown
400 V
50 Hz

Table of Contents

Other manuals for flamco Flamcomat G4

Related product manuals