EasyManua.ls Logo

FlightSafety LEARJET 45 - Page 60

Default Icon
539 pages
Print Icon
To Next Page IconTo Next Page
To Next Page IconTo Next Page
To Previous Page IconTo Previous Page
To Previous Page IconTo Previous Page
Loading...
LEARJET 45 PILOT TRAINING MANUAL
2-30
FOR TRAINING PURPOSES ONLY
FlightSafety
international
L ESS AV BUS
L ESS BUS
L MAIN BUS
L MAIN AV BUS
L GEN BUS
L MAIN
BATT
GCU
EMER BATT BUS
R ESS BUS
R ESS AV BUS
R MAIN AV BUS
R MAIN BUS
EMER
BATT
R GEN BUS
GCU
R MAIN
BATT
REAR HOT BUS
GEN
L START
R START
GEN
R ESS AVIONIC
CONTACTOR
35A
80A
R ISOLATION
CONTACTOR
100A
15A
EMERGENCY
CONTACTOR
150A
15A
L ISOLATION
CONTACTOR
100A
80A
35A
L ESS AVIONIC
CONTACTOR
35A
L MAIN AV
CONTACTOR
35A
R MAIN AV
CONTACTOR
BUSTIE CONTACTOR
(NORMALLY OPEN)
L ESSENTIAL
CONTACTOR
L MAIN
CONTACTOR
L BATTERY
CONTACTOR
L LINE
CONTACTOR
40A
40A
20A
40A
R BATTERY
CONTACTOR
40A
R LINE
CONTACTOR
L NON-ESS BUS
L NON-ESS
CONTACTOR
80A 130A
150A
R NON-ESS BUS
80A130A150A
R HOT BUSL HOT BUS
15A
15A
START
GEN
GCU
APU
L EMER HOT BUS R EMER HOT BUS
R MAIN
CONTACTOR
APU
CONTACTOR
R ESSENTIAL
CONTACTOR
R NON-ESS
CONTACTOR
BATTERY POWER
GENERATOR POWER
GPU POWER
CONTACTOR
CURRENT SENSOR
LEGEND
CIRCUIT BREAKER
DIODE
FUSE
APU POWER
EMERGENCY BATTERY POWER
UNPOWERED
OFF
OFF OFF
OFF
L ESS
R ESS
ELECTRICAL
L AV
MSTR
EMER BATT
R AV
MSTR
L MAIN
L
NON-ESS
R
NON-ESS
R MAIN
L GEN BUS-TIE R GEN
EXT PWR L BATT R BATT
APU GEN
EMER
OFF
OFF
ELEC
VOLTS
EMER-V
AMPS
TEMP °C
22.5 22.7
22.8
0
0
39
38
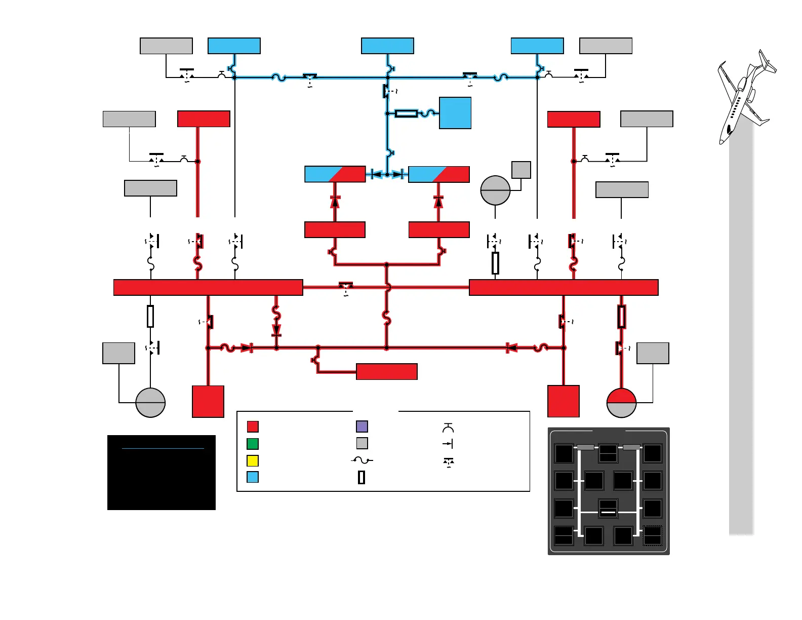
Figure 2-20. System During Right Engine Battery Start
(On Ground)

Table of Contents